 
家電製品、AV機器、産業機器に用いられるモーターです。 高精度な低振動化技術・軸受技術で対応しています。
概要
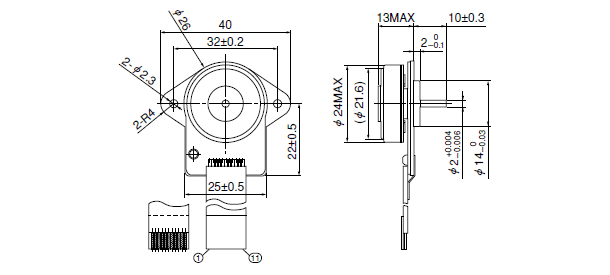
3相アウターローター型DCブラシレスモーター
軸受:含油メタル、ボールベアリングを選択可能
接続:ご要望に対応
ディテントトルク:ご要望に応じてディテントトルクを調整可能
インターフェース:巻線端子
ホール素子またはホールICの入出力端子
回路:駆動回路の搭載も対応可
シャフト:長さ変更、Dカット形状、ギア追加等、対応可能
軸出力方向は上下を選択可能
- 
- 
スクロールできます 外径 
 [mm]無負荷回転数 
 [r/min]起動トルク 
 [mN・m]最大出力 
 [W]起動電流 
 [mA]最大効率 
 [%]最大効率時回転数 
 [r/min]最大出力時回転数 
 [r/min]Life at 20℃ 
 [hour]24.0 3000 11.0 0.9(at 5.5mN·m) 320 55(at 2mN・m) 2400 1500 5000 ※値は12V時の代表特性です。 
 お客様のご要望に応じたカスタム対応品となりますので詳細仕様及び受注ロットについては弊社営業にお問い合わせ下さい。
- 
  
- 
  
- 
関連データ
注目製品
ミネベアミツミのモーターが選ばれる理由
幅広い製品群とグローバルでの開発・生産体制でモノづくりに貢献
 
 
                          
                          
                          
                          
 
 
 
 
 
 
 
 


