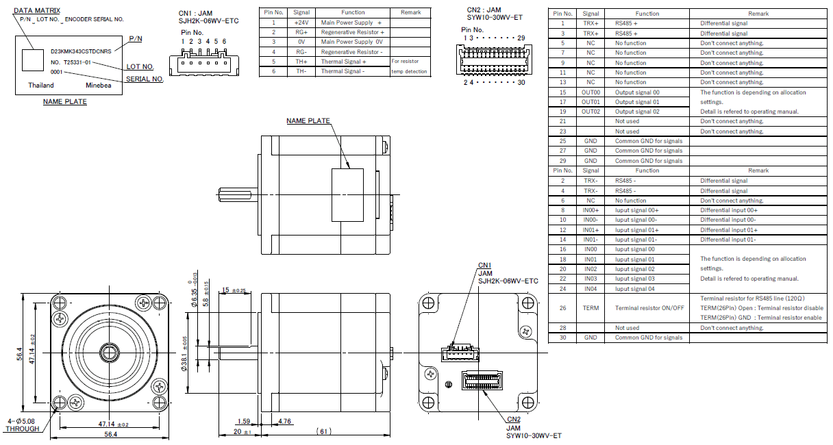
ドライバとエンコーダが一体型になったハイブリッドステッピングモーターです。一体型によりモーターとドライバ間の配線が不要となり、省スペース化と省配線化を実現します。特に設置面積が限られているスペースに最適です。
さらに「クローズドループ制御」により、負荷に応じて必要な分だけ電流を流すので、発熱を抑制し、省エネルギーにも効果があります。設定用のアプリも無償でご提供いたします。
特長
通信がModbus RTU仕様のドライバとなります。
その他、I/O、パルス列運転にも対応しております。
詳細は使用をご確認ください
-
-
外径
[mm]56.4 モーター長
[mm]61 入力電圧 DC24V 定格電流
[A]3Aアベレージ ホールディングトルク
[mN・m]387 ロータイナーシャ
[g・cm2]180 ディテントトルク
[mN・m]29.0 適応負荷イナーシャ 1700g㎠以内 分解能
[CPR]16384 通信仕様 RS485 1系統当たり最大接続台数 15 パルス列運転 ✔ I/O運転 ✔ 質量
[g]660
□56
-
-
-
注目製品
ミネベアミツミのモーターが選ばれる理由
幅広い製品群とグローバルでの開発・生産体制でモノづくりに貢献

