Features

Specifications
Model | Outer Diameter [mm] |
Step Angle [°] |
Drive Sequence | Rated Current [A] |
Resistance [Ω] |
Holding Torque [mN・m] |
Inductance [mH] |
Rotor Inertia [g・cm2] |
Detent Torque [mN・m] |
Mass [g] |
---|
Torque/Speed Characteristics

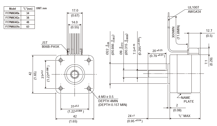
Overall View

Wiring Diagram Image

Download
Associated Data
Product customizations by MinebeaMitsumi
We customize products through technological consultations, sample productions, optional functionalities, and other forms of support we offer to meet your demands.