Features

Specifications
Model | Outer Diameter [mm] |
Length [mm] |
Step Angle [°] |
Drive Sequence | Rated Current [A] |
Resistance [Ω] |
Holding Torque [mN・m] |
Inductance [mH] |
Rotor Inertia [g・cm2] |
Detent Torque [mN・m] |
Encoder Resolution [CPR] |
Mass [g] |
Maximum turn count |
---|
Torque/Speed Characteristics

Encoder Specifications
Item | specifications |
---|---|
ENCODER TYPE | INCREMENTAL |
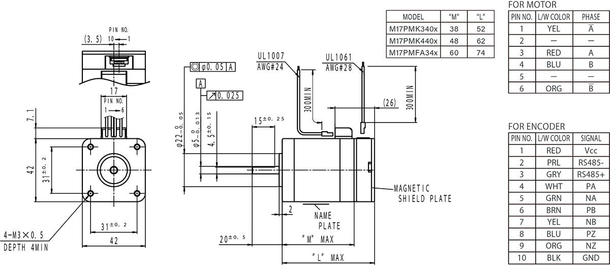
Overall View

Wiring Diagram Image

Wiring Diagram
PHASE | A | A COM | A/ | B | B COM | B/ |
---|---|---|---|---|---|---|
PIN NO. | 3 | - | 1 | 4 | - | 6 |
Download
Associated Data
CAD
Product customizations by MinebeaMitsumi
We customize products through technological consultations, sample productions, optional functionalities, and other forms of support we offer to meet your demands.