「指先のような繊細さ」と「正確さ」を実現する、ハイブリッド型ステッピングモーター搭載の電動グリッパです。
ワークをただ掴むだけでなく、ワークの検出・測長、グリッパーストロークの調整や速度制御機能を搭載し、より繊細で正確な把持が可能です。
卵やガラス、ばね、半導体など、傷つきやすく壊れやすいワークの把持に最適です。
-
-
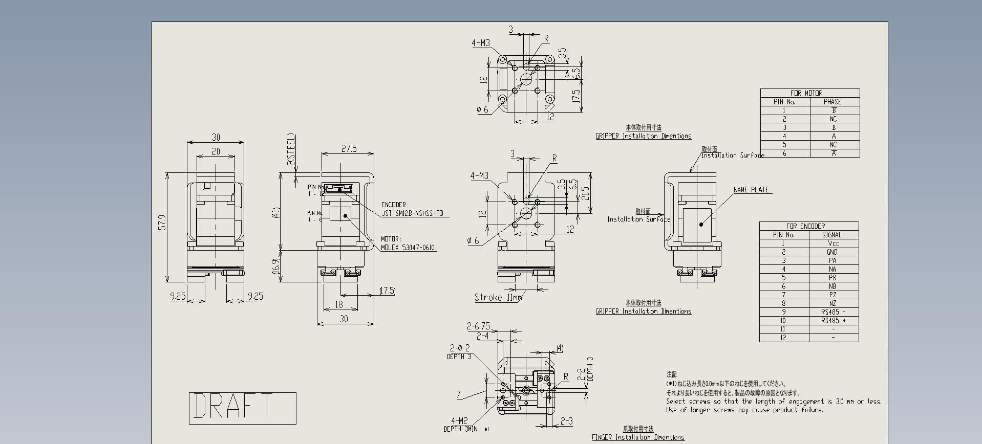
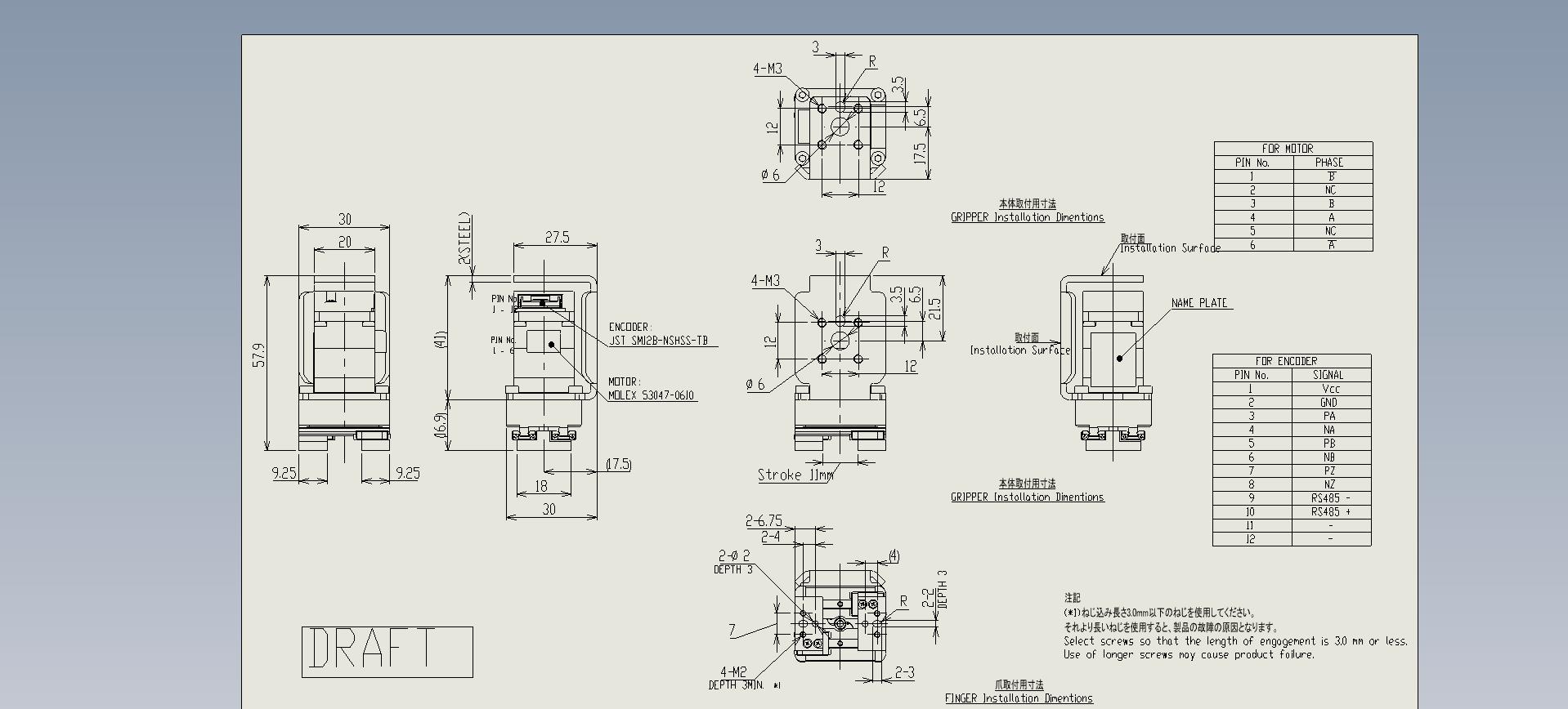
ストローク/両爪
[mm]11 把持力
下限
[N]0.7 把持力
上限
[N]2.4 繰返し位置決め精度
[mm]±0.02 本体重量
[g]100 製品の性能及び仕様は、改良の為予告なく変更することがありますのでご了承ください。
-
注目製品
ミネベアミツミのモーターが選ばれる理由
幅広い製品群とグローバルでの開発・生産体制でモノづくりに貢献

