Features

Specifications
Model | Outer Diameter [mm] |
Step Angle [°] |
Drive Sequence | Rated Current [A] |
Resistance [Ω] |
Holding Torque [mN・m] |
Inductance [mH] |
Rotor Inertia [g・cm2] |
Detent Torque [mN・m] |
Mass [g] |
---|
Torque/Speed Characteristics

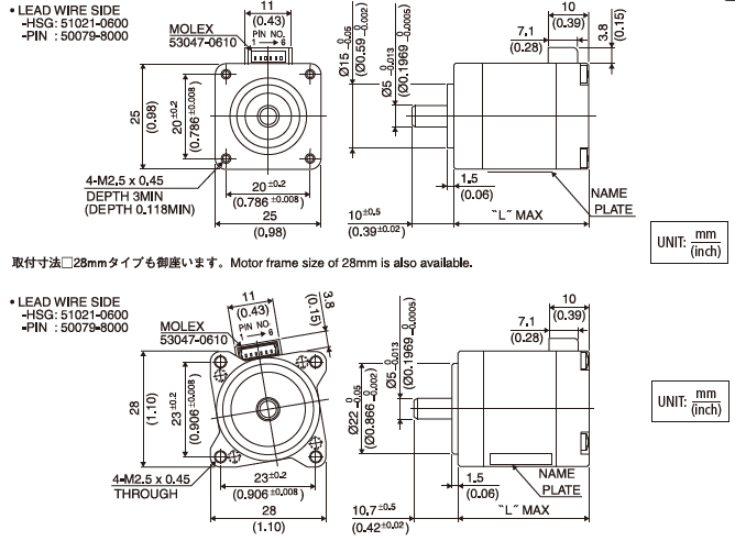
Size
Model | size "L" [mm] |
size "L" [Inch] |
---|---|---|
10PM-K2** | 23.5 | 0.92 |
10PM-K0** | 27.5 | 1.08 |
10PM-K7** | 33.0 | 1.30 |
10PM-K1** | 40.5 | 1.59 |
10PM-K4** | 51.5 | 2.03 |
Overall View

Wiring Diagram
PHASE | A | A/ | B | B/ |
---|---|---|---|---|
PIN NO. | 4 | 6 | 1 | 3 |
Download
Associated Data
CAD
Product customizations by MinebeaMitsumi
We customize products through technological consultations, sample productions, optional functionalities, and other forms of support we offer to meet your demands.