Features

Specifications
Model | Outer Diameter [mm] |
Step Angle [°] |
Drive Sequence | Rated Current [A] |
Resistance [Ω] |
Holding Torque [mN・m] |
Inductance [mH] |
---|
Lead Screw Specifications
Model | Length [mm] |
Linear Travel / Step [mm] |
Lead [mm] |
---|
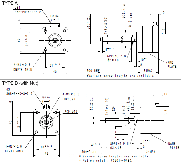
*Various screw lengths are available.
Properties of Thrust-force

Overall View

Wiring Diagram Image

Wiring Diagram
PHASE | A | A COM | A/ | B | B COM | B/ |
---|---|---|---|---|---|---|
PIN NO. | 4 | 5 | 6 | 3 | 2 | 1 |
Applications

3D Printers: Suitable for Z-axis
Download
Associated Data
Product customizations by MinebeaMitsumi
We customize products through technological consultations, sample productions, optional functionalities, and other forms of support we offer to meet your demands.