Features
Specifications
| Model | Outer Diameter [mm] |
Step Angle [°] |
Drive Sequence | Rated Current [A] |
Resistance [Ω] |
Holding Torque [mN・m] |
Inductance [mH] |
Rotor Inertia [g・cm2] |
Detent Torque [mN・m] |
Mass [g] |
|---|
Torque/Speed Characteristics
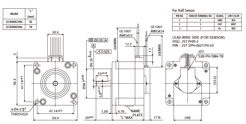
Hall Sensor Specification
Circuit configuration
6 pulse output signal
Maximum rating
(Ta=25℃)
| Item | Symbol | Rating | Unit |
|---|---|---|---|
| Supply Voltage | Vcc | 18 | V |
| Output H Voltage | V0(off) | Vcc | V |
| Output L Current | Isink | 15 | mA |
| Operating ambient temperature | Topr | –20 ~ 115 | ℃ |
| Storage temperature | Tstg | –40 ~ 125 | ℃ |
Electrical specifications
(Ta=25℃)
| Item | Symbol | Measuring condition | Min. | Typ. | Max. | Unit |
|---|---|---|---|---|---|---|
| Operating voltage range | Vcc | 4.5 | 12 | 18 | V | |
| Output H -> L Magnetic flux density | Bop | Vcc = 12V | 20 | mT | ||
| Output L -> H Magnetic flux density | Brp | Vcc = 12V | 5 | mT | ||
| Hysteresis error | Bh | Vcc = 12V | 1.5 | mT | ||
| Saturated output voltage | Vsat | Vcc = 12V, OUT "L", Isink = 10mA | 0.4 | V | ||
| Output leakage current | Ileak | Vcc = 12V, OUT "H", Vout = 12V | 1 | μA | ||
| Power current | Icc | Vcc = 12V, OUT "H" | 8 | mA |
1 [mT] = 10 [Gauss]
Overall View
Wiring Diagram Image
Download
Associated Data
Product customizations by MinebeaMitsumi
We customize products through technological consultations, sample productions, optional functionalities, and other forms of support we offer to meet your demands.

