Features
 
      Specifications
| Model | Outer Diameter [mm] | Step Angle [°] | Drive Sequence | Rated Current [A] | Resistance [Ω] | Holding Torque [mN・m] | Inductance [mH] | Rotor Inertia [g・cm2] | Detent Torque [mN・m] | Mass [g] | 
|---|
Torque/Speed Characteristics
 
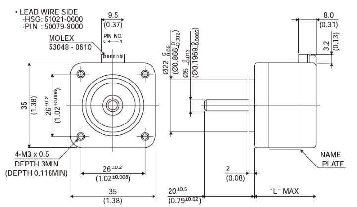
      Size
| Model | size "L" [mm] | size "L" [Inch] | 
|---|---|---|
| 14PY-Z2** | 22.0 | 0.87 | 
| 14PY-Z0** | 26.0 | 1.02 | 
Overall View
 
      Wiring Diagram
| PHASE | A | A COM | A/ | B | B COM | B/ | 
|---|---|---|---|---|---|---|
| PIN NO. | 4 | 5 | 6 | 3 | 2 | 1 | 
Download
Associated Data
CAD
Product customizations by MinebeaMitsumi
We customize products through technological consultations, sample productions, optional functionalities, and other forms of support we offer to meet your demands.


 
                     
											 
											 
											 
											 
											 
											 
											