Features

Specifications
Model | Outer Diameter [mm] |
Step Angle [°] |
Drive Sequence | Rated Current [A] |
Resistance [Ω] |
Holding Torque [mN・m] |
Inductance [mH] |
Rotor Inertia [g・cm2] |
Detent Torque [mN・m] |
Mass [g] |
---|
Torque/Speed Characteristics

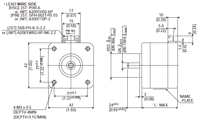
Size
Model | size "L" [mm] |
size "L" [Inch] |
---|---|---|
17PY-Z7** | 26.0 | 1.02 |
17PY-Z2** | 30.0 | 1.18 |
17PY-Z0** | 34.0 | 1.34 |
17PY-Z3** | 38.0 | 1.50 |
17PY-Z1** | 42.0 | 1.65 |
17PY-Z4** | 48.0 | 1.89 |
Overall View

Wiring Diagram
PHASE | A | A COM | A/ | B | B COM | B/ |
---|---|---|---|---|---|---|
PIN NO. | 4 | 5 | 6 | 3 | 2 | 1 |
Download
Associated Data
CAD
Product customizations by MinebeaMitsumi
We customize products through technological consultations, sample productions, optional functionalities, and other forms of support we offer to meet your demands.