ハイブリッドステッピングモーターの標準品シリーズです。試作や仕様検討向けに「小ロット」「個包装」「短納期」対応のサンプルもご用意しています。
-
-
以下のテーブル内の矢印アイコンを押下していただくと、昇順から降順と順番に切り替わります。
スクロールできます
型式
外径
[mm]ステップ角
[°]ドライブ方式
定格電流
[A]巻線抵抗
[Ω]ホールディングトルク
[mN・m]インダクタンス
[mH]ロータイナーシャ
[g・cm2]ディテントトルク
[mN・m]質量
[g]17PY-Z049U 42.0 0.900 UNI-POLAR 1.00 3.10 220 4.40 37.00 11.00 200 17PY-Z064U 42.0 0.900 UNI-POLAR 0.60 8.30 220 11.10 37.00 11.00 200 17PY-Z142U 42.0 0.900 UNI-POLAR 1.40 2.30 300 4.70 62.00 11.80 300 17PY-Z149U 42.0 0.900 UNI-POLAR 1.00 4.30 300 8.70 62.00 11.80 300 17PY-Z249U 42.0 0.900 UNI-POLAR 0.80 2.70 120 3.80 24.00 4.40 180 17PY-Z264U 42.0 0.900 UNI-POLAR 0.60 6.90 120 9.70 24.00 4.40 180 17PY-Z342U 42.0 0.900 UNI-POLAR 1.40 2.00 280 3.50 50.00 12.00 250 17PY-Z349U 42.0 0.900 UNI-POLAR 1.00 3.60 280 6.50 50.00 12.00 250 17PY-Z442U 42.0 0.900 UNI-POLAR 1.40 2.80 450 4.50 75.00 18.70 350 17PY-Z449U 42.0 0.900 UNI-POLAR 1.00 4.90 450 8.40 75.00 18.70 350 17PY-Z749U 42.0 0.900 UNI-POLAR 0.90 2.20 48 1.90 11.00 3.00 150 17PY-Z764U 42.0 0.900 UNI-POLAR 0.60 5.60 48 4.90 11.00 3.00 150 17PY-Z049B 42.0 0.900 BI-POLAR 0.70 6.20 270 17.50 37.00 11.00 200 17PY-Z142B 42.0 0.900 BI-POLAR 1.00 4.60 390 18.60 62.00 11.80 300 17PY-Z249B 42.0 0.900 BI-POLAR 0.60 5.40 160 15.20 24.00 4.40 180 17PY-Z342B 42.0 0.900 BI-POLAR 0.90 4.00 340 13.80 50.00 12.00 250 17PY-Z442B 42.0 0.900 BI-POLAR 0.90 5.60 540 18.00 75.00 18.70 350 17PY-Z749B 42.0 0.900 BI-POLAR 0.60 4.40 63 7.80 11.00 3.00 150 -
-
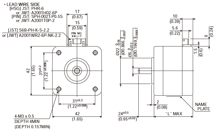
スクロールできます
型式
サイズ "L"
[mm]サイズ "L"
[Inch]17PY-Z7** 26.0 1.02 17PY-Z2** 30.0 1.18 17PY-Z0** 34.0 1.34 17PY-Z3** 38.0 1.50 17PY-Z1** 42.0 1.65 17PY-Z4** 48.0 1.89 -
-
スクロールできます
相(PHASE)
A
A COM
A/
B
B COM
B/
ピン番号(PIN NO.) 4 5 6 3 2 1
注目製品
ミネベアミツミのモーターが選ばれる理由
幅広い製品群とグローバルでの開発・生産体制でモノづくりに貢献

