Features

Specifications
Model | Outer Diameter [mm] |
Step Angle [°] |
Drive Sequence | Rated Current [A] |
Stroke [mm] |
Recommended load [N] |
Recommended load [kgf] |
Resolution [μ/1step] |
Mass [g] |
---|
*300mm lead wires will be supplied with motors.
Properties of Thrust-force

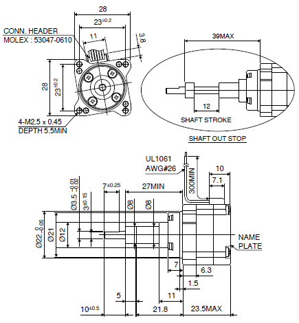
Overall View

Wiring Diagram Image

Wiring Diagram
PHASE | A | A/ | B | B/ |
---|---|---|---|---|
PIN NO. | 4 | 6 | 1 | 3 |
Leadwire color | RED | YELLOW | BLUE | ORANGE |
Download
Associated Data
CAD
Product customizations by MinebeaMitsumi
We customize products through technological consultations, sample productions, optional functionalities, and other forms of support we offer to meet your demands.