モーターの回転運動を送りねじ機構を介してリニア駆動に変換する非常にコンパクトな構造を実現した、高性能リニア駆動ステッピングモーターです。
メンテナンスフリーで、車載向けモーターの設計をベースとした高信頼性仕様です。
-
-
以下のテーブル内の矢印アイコンを押下していただくと、昇順から降順と順番に切り替わります。
スクロールできます
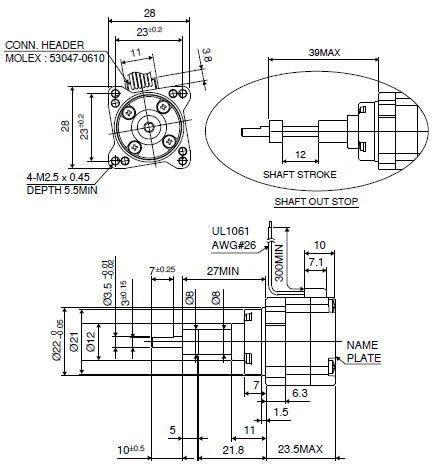
型式
外径
[mm]ステップ角
[°]ドライブ方式
定格電流
[A]ストローク
[mm]推奨負荷
[N]推奨負荷
[kgf]分解能
[μ/1step]質量
[g]C10PMK202BSTDCN 25.0 1.800 BI-POLAR 0.70 12.00 9.80 1.00 4.00 60 *リード線300mm付属
-
-
-
-
スクロールできます
相(PHASE)
A
A/
B
B/
ピン番号(PIN NO.) 4 6 1 3 リード線色(L/W COLOR) 赤 黄 青 橙
注目製品
ミネベアミツミのモーターが選ばれる理由
幅広い製品群とグローバルでの開発・生産体制でモノづくりに貢献

