Features
Specifications
| Model | Outer Diameter [mm] |
Step Angle [°] |
Gear Ratio [1:X] |
Permissible Torque [N・m] |
Permissible Torque [kgf・cm] |
Drive Sequence | Rated Current [A] |
Resistance [Ω] |
Permissible Speed Range lower limit [r/min] |
Permissible Speed Range upper limit [r/min] |
Backlash [min(deg)] |
Mass [g] |
|---|
*Leadwires will be supplied with the motor.
*Drive sequence:Unipolar.
*Direction of rotation of the motor and that of the gear output shaft are the same for the gear ratios 1:3.6,1:7.2,1:9,1:10,1:50 and 1:100.It is the opposite for 1:18 and 1:36 rear ratio.
Torque/Speed Characteristics
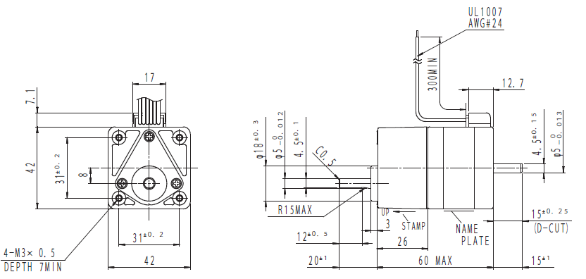
Overall View
Wiring Diagram
| PHASE | A | A COM | A/ | B | B COM | B/ |
|---|---|---|---|---|---|---|
| PIN NO. | 3 | 2 | 1 | 4 | 5 | 6 |
Download
Associated Data
CAD
Product customizations by MinebeaMitsumi
We customize products through technological consultations, sample productions, optional functionalities, and other forms of support we offer to meet your demands.

