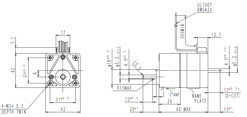
ギアボックス付シリーズは、ミネベアミツミ製高性能ベアリングを使用した2相ステッピングモーターとギアボックスを組み合わせたギアードステッピングモーターです。
-
-
以下のテーブル内の矢印アイコンを押下していただくと、昇順から降順と順番に切り替わります。
スクロールできます
型式
外径
[mm]ステップ角
[°]減速比
[1:X]許容トルク
[N・m]許容トルク
[kgf・cm]ドライブ方式
定格電流
[A]巻線抵抗
[Ω]許容速度範囲
下限
[r/min]許容速度範囲
上限
[r/min]バックラッシ
[min(deg)]質量
[g]GS0036-17M001 42.0 0.500 1:3.6 0.20 2.04 UNI-POLAR 0.85 4.20 0 500 2°以下 310 GS0072-17M001 42.0 0.250 1:7.2 0.40 4.08 UNI-POLAR 0.85 4.20 0 250 2°以下 310 GS0090-17M001 42.0 0.200 1:9 0.50 5.10 UNI-POLAR 0.85 4.20 0 200 2°以下 310 GS0100-17M001 42.0 0.180 1:10 0.56 5.71 UNI-POLAR 0.85 4.20 0 180 2°以下 310 GS0180-17M001 42.0 0.100 1:18 0.80 8.16 UNI-POLAR 0.85 4.20 0 100 2°以下 320 GS0360-17M001 42.0 0.050 1:36 0.80 8.16 UNI-POLAR 0.85 4.20 0 50 2°以下 320 GS0500-17M001 42.0 0.036 1:50 0.80 8.16 UNI-POLAR 0.85 4.20 0 36 2°以下 330 GS1000-17M001 42.0 0.018 1:100 0.80 8.16 UNI-POLAR 0.85 4.20 0 18 2°以下 330 ※全モデルリード線300mm付属
※ドライブ方式:ユニポーラ
※モーター回転方向とギア出力軸の回転方向は減速比 1:3.6、1:7.2、1:9、1:10、1:50、1:100は同じに、減速比1:18、1:36は逆になります。 -
-
-
スクロールできます
相(PHASE)
A
A COM
A/
B
B COM
B/
ピン番号(PIN NO.) 3 2 1 4 5 6
注目製品
ミネベアミツミのモーターが選ばれる理由
幅広い製品群とグローバルでの開発・生産体制でモノづくりに貢献

