Features

Specifications
Model | Outer Diameter [mm] |
Step Angle [°] |
Gear Ratio [1:X] |
Drive Sequence | Rated Current [A] |
Resistance [Ω] |
Rated Torque [mN・m] |
Rated Torque [gf・cm] |
Maximum Instantaneous Torque [mN・m] |
Maximum Instantaneous Torque [gf・cm] |
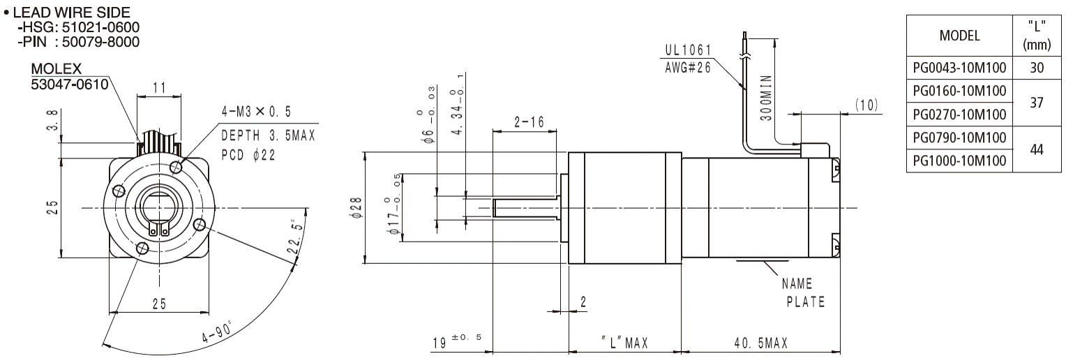
Gearhead length L1 [mm] |
---|
Torque/Speed Characteristics

Overall View

Applications
Optical Equipment:Projector / Security Camera
Medical Equipment:Blood Analyzer / Tube Pump
Industrial Equipment:Flow Control Valves
Download
Associated Data
CAD
Product customizations by MinebeaMitsumi
We customize products through technological consultations, sample productions, optional functionalities, and other forms of support we offer to meet your demands.