ギアボックス付シリーズは、ミネベアミツミ製高性能ベアリングを使用した2相ステッピングモーターとギアボックスを組み合わせたギアードステッピングモーターです。
-
-
以下のテーブル内の矢印アイコンを押下していただくと、昇順から降順と順番に切り替わります。
スクロールできます
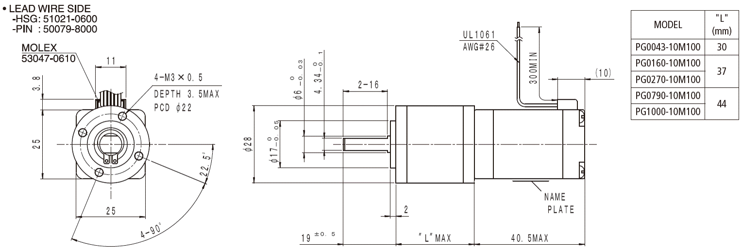
型式
外径
[mm]ステップ角
[°]減速比
[1:X]ドライブ方式
定格電流
[A]巻線抵抗
[Ω]推奨定格トルク
[mN・m]推奨定格トルク
[gf・cm]推奨瞬間最大トルク
[mN・m]推奨瞬間最大トルク
[gf・cm]ギヤヘッド長 L1
[mm]PG0043-10M100 25.0 0.419 1:4.3 BI-POLAR 1.00 3.00 750.00 7650.00 1100.00 11220.00 30.00 PG0160-10M100 25.0 0.113 1:16 BI-POLAR 1.00 3.00 3000.00 30600.00 4500.00 45890.00 37.00 PG0270-10M100 25.0 0.067 1:27 BI-POLAR 1.00 3.00 3000.00 30600.00 4500.00 45890.00 37.00 PG0790-10M100 25.0 0.023 1:79 BI-POLAR 1.00 3.00 5000.00 50990.00 7500.00 76480.00 44.00 PG1000-10M100 25.0 0.018 1:100 BI-POLAR 1.00 3.00 5000.00 50990.00 7500.00 76480.00 44.00 -
-
-
光学機器:プロジェクター、監視カメラ
医療機器:血液分析装置、チューブポンプ
産業機器:流動制御バルブ
注目製品
ミネベアミツミのモーターが選ばれる理由
幅広い製品群とグローバルでの開発・生産体制でモノづくりに貢献

