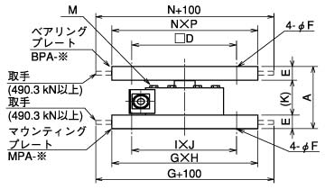
• CCW1/UWV1シリーズベアリングプレート+マウンティングプレート装着寸法図

    以下のテーブル内の矢印アイコンを押下していただくと、昇順から降順と順番に切り替わります。

    スクロールできます

    Item

    アクセサリ型式

    A
    [mm]

    □D
    [mm]

    E
    [mm]

    φF
    [mm]

    G
    [mm]

    H
    [mm]

    I
    [mm]

    K
    [mm]

    M

    N
    [mm]

    φP
    [mm]

    質量
    [kg]

    CWV1-2T/ UWV1-2T用 BPA-3-B, MPA-16 105 105 23 12 210 130 185 59 8-M6 130 130 7.7
    CWV1-5T/ UWV1-5T用 BPA-3-B, MPA-17 107 105 23 12 210 130 185 61 8-M6 130 130 7.7
    CWV1-10T/ UWV1-10T用 BPA-4-B, MPA-18 140 125 30 14 160 160 125 80 8-M10 160 160 11.7
    CWV1-20T/ UWV1-20T用 BPA-6-B, MPA-19 175 150 30 14 200 200 160 115 8-M12 200 200 18.4
    CWV1-50T/ UWV1-50T用 BPA-8-B, MPA-20 270 200 60 23 260 260 200 150 8-M16 260 260 61.5
    CWV1-100T/ UWV1-100T用 BPA-11, MPA-21 325 280 60 27 360 360 280 205 16-M20 360 360 119

カスタム

  • カスタム製品は量産を前提としております。少ロットの場合は要相談となります。

注目製品

ミネベアミツミの計測機器が選ばれる理由

優れた技術と品質であらゆる計測・計装のニーズにお応えする計測機器が選ばれる理由をご紹介

技術情報

事例紹介

ダウンロード

製品トピックス

産業分野(用途)から探す

サポート・お問い合わせ

各種製品に関するお問い合わせや技術的なご質問、各種資料のお取り寄せなど、各製品担当者がお答えいたします。

テクニカルサポートフリーダイヤル

計測機器製品の技術的なサポートが必要な際は、以下のフリーダイヤルにお電話ください。
購入・見積・修理のご依頼は、お問い合わせフォームよりご連絡ください。

0120-950008

受付時間:09:00~12:00、13:00 ~ 16:45土日・祝日・年末年始、及び弊社休日を除きます