ベアリングプレート/マウンティングプレート
ダウンロード
型式一覧
以下のテーブル内の矢印アイコンを押下していただくと、昇順から降順と順番に切り替わります。
スクロールできます
|
型式 |
適用ロードセル |
装着図 |
|---|---|---|
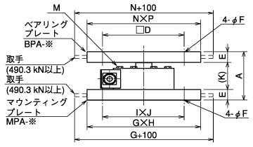
| BP/MPシリーズ BPMP1 | CCP1(A)シリーズベアリングプレート+マウンティングプレート装着寸法図 | ![]() |
| BP/MPシリーズ BPMP2 | CCW1/UWV1シリーズベアリングプレート+マウンティングプレート装着寸法図 | ![]() |
| BP/MPシリーズ BPMP3 | CMM1/CMP1シリーズベアリングプレート+マウンティングプレート装着寸法図 | ![]() |
| BP/MPシリーズ BPMP4 | CCR1(B)シリーズベアリングプレート+マウンティングプレート装着寸法図 | ![]() |
| BP/MPシリーズ BPMP5 | CCS1シリーズベアリングプレート+マウンティングプレート装着寸法図 | ![]() |
カスタム
- ※カスタム製品は量産を前提としております。少ロットの場合は要相談となります。
注目製品
ミネベアミツミの計測機器が選ばれる理由
優れた技術と品質であらゆる計測・計装のニーズにお応えする計測機器が選ばれる理由をご紹介
技術情報
基礎知識
使用上の注意及びお願い
事例紹介
製品トピックス
産業分野(用途)から探す
サポート・お問い合わせ
各種製品に関するお問い合わせや技術的なご質問、各種資料のお取り寄せなど、各製品担当者がお答えいたします。
テクニカルサポートフリーダイヤル
計測機器製品の技術的なサポートが必要な際は、以下のフリーダイヤルにお電話ください。
購入・見積・修理のご依頼は、お問い合わせフォームよりご連絡ください。
0120-950008
受付時間:09:00~12:00、13:00~16:00土日・祝日・年末年始、及び弊社休日を除きます




