Characteristic

Reference Characteristics
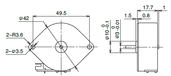
Outer Diameter [mm] |
Length [mm] |
Step No. | Magnet Material | Insulation Resistance (M) [Ω/min] |
Dielectric Strength (AC) [V/min] |
Step Angle [deg] |
Drive Method | Class of Insulation | Operating Temp. lower limit [deg.C] |
Operating Temp. upper limit [deg.C] |
Storage Temp. lower limit [deg.C] |
Storage Temp. upper limit [deg.C] |
Operating Hum. RH lower limit [%] |
Operating Hum. RH upper limit [%] |
---|---|---|---|---|---|---|---|---|---|---|---|---|---|---|
42.0 | 17.70 | 48 | Polar anisotropic ferrite sintered magnet | 100 | 500 | 7.50 | 2-2 phase | CLASS E | 0 | 50 | -20 | 70 | 5 | 90 |
Torque Characteristic

Overall View

Download
Catalog
CAD
Product customizations by MinebeaMitsumi
We customize products through technological consultations, sample productions, optional functionalities, and other forms of support we offer to meet your demands.