Characteristic

Reference Characteristics
Linear Force range lower limit [N] |
Linear Force range upper limit [N] |
Outer Diameter [mm] |
Length [mm] |
Step No. | Magnet Material | Insulation Resistance (M) [Ω/min] |
Dielectric Strength (AC) [V/min] |
Drive Method | Resistance [Ω] |
Class of Insulation | Operating Temp. lower limit [deg.C] |
Operating Temp. upper limit [deg.C] |
Storage Temp. lower limit [deg.C] |
Storage Temp. upper limit [deg.C] |
Operating Hum. RH lower limit [%] |
Operating Hum. RH upper limit [%] |
---|---|---|---|---|---|---|---|---|---|---|---|---|---|---|---|---|
10 | 100 | 25.0 | 28.50 | 48 | Nd-Fe-B bonded magnet(MS70) | 100 | 500 | 2-2 phase | 14.7 | CLASS B | 0 | 65 | -30 | 80 | 20 | 90 |
Thrust Characteristic

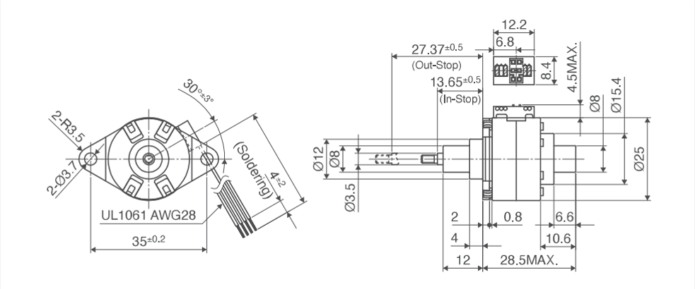
Overall View

Specifications
Screw Pitch [mm] |
Pitch/Step (at 2phase on) [mm/Step] |
Drive Circuit | Drive Voltage [V] |
Current/Phase [mA] |
Drive IC |
---|
Applications
Industrial equipment:Flow control valves
Communication equipment:Antenna adjustment device
Automotive:Optic axis control device
Download
Catalog
CAD
Product customizations by MinebeaMitsumi
We customize products through technological consultations, sample productions, optional functionalities, and other forms of support we offer to meet your demands.