 
PM型ステッピングモーターのシャフトとローターのネジ機構により、回転運動を直線運動に変換できるリニアタイプです。
ステッピングモーターならではの制御のしやすさ、高精度な位置制御をそのままに、独自設計で小型ながら高推力、高い応答性を実現。当社NMBブランドの高精度ボールベアリングをフロントとエンドで2個使用することで、シャフト遊びを抑制し、より高精度な制御が可能です。
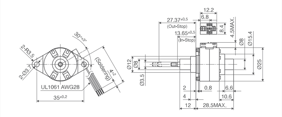
シャフト送り量は0.025mm/step ~ 0.05mm/stepのレンジでラインアップをご用意。巻き線仕様やシャフト長、キャプティブ/ノンキャプティブの選択など、お客様のご要求仕様にあわせたカスタマイズにも対応いたします。
- 
- 
スクロールできます 推力範囲 
 下限
 [N]推力範囲 
 上限
 [N]外径 
 [mm]長さ 
 [mm]ステップ数 マグネット材質 絶縁抵抗値 (M) 
 [Ω/min]絶縁耐圧 (AC) 
 [V/min]励磁方式 巻線抵抗 
 [Ω]絶縁種 動作温度範囲 
 下限
 [℃]動作温度範囲 
 上限
 [℃]保存温度範囲 
 下限
 [℃]保存温度範囲 
 上限
 [℃]動作湿度範囲RH 
 下限
 [%]動作湿度範囲RH 
 上限
 [%]10 100 25.0 28.50 48 ネオジウム鉄ボンド(MS70) 100 500 2-2相 14.7 CLASS B 0 65 -30 80 20 90 
- 
  
- 
  
- 
以下のテーブル内の矢印アイコンを押下していただくと、昇順から降順と順番に切り替わります。 スクロールできます スクリューピッチ 
 [mm]1ステップ送り量 (2相励磁時) 
 [mm/Step]駆動方式 駆動電圧 
 [V]電流/相 
 [mA]駆動IC 0.610 0.013 バイポーラチョッパー 12 300.0 BD63920MUV 
- 
産業機器:流量制御バルブ 
 通信機器:アンテナ調整装置
 自動車分野:光軸制御装置
注目製品
ミネベアミツミのモーターが選ばれる理由
幅広い製品群とグローバルでの開発・生産体制でモノづくりに貢献
 
 
 
 
 
                          
                          
                          
                          
 
 
 
 
 
 
 
 


