Characteristic
 
      Reference Characteristics
| Outer Diameter [mm] | Length [mm] | Step No. | Magnet Material | Insulation Resistance (M) [Ω/min] | Dielectric Strength (AC) [V/min] | Step Angle [deg] | Drive Method | Class of Insulation | Operating Temp. lower limit [deg.C] | Operating Temp. upper limit [deg.C] | Storage Temp. lower limit [deg.C] | Storage Temp. upper limit [deg.C] | Operating Hum. RH lower limit [%] | Operating Hum. RH upper limit [%] | 
|---|---|---|---|---|---|---|---|---|---|---|---|---|---|---|
| 8.0 | 7.10 | 20 | Nd-Fe-B bonded magnet (N51) | 1 | 100 | 18.00 | 2-2 phase | CLASS E | -10 | 50 | -25 | 60 | 5 | 85 | 
*Bipolar only. Unipolar is not available.
*No dew condensation.
Torque Characteristic
 
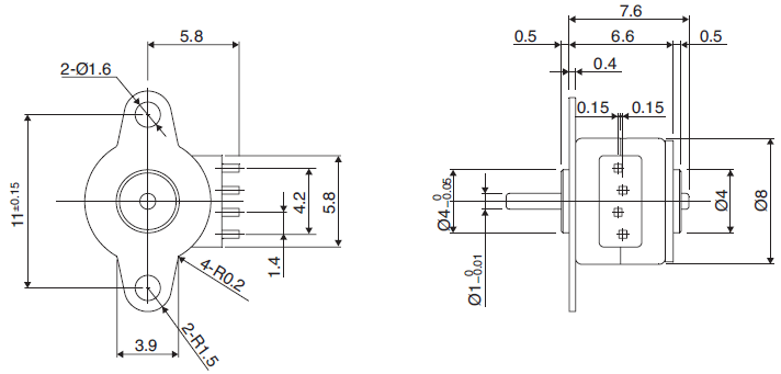
      Overall View
 
      Specifications
| Drive Circuit | Drive Voltage [V] | Coil Resistance/Phase [Ω] | Drive IC | 
|---|
Applications
OA Equipment:Network cameras
Optical instrument:Digital cameras / Microscope
Download
Catalog
CAD
Product customizations by MinebeaMitsumi
We customize products through technological consultations, sample productions, optional functionalities, and other forms of support we offer to meet your demands.


 
                     
											 
											 
											 
											 
											 
											 
											