Characteristic
 
      Reference Characteristics
| Outer Diameter [mm] | Length [mm] | Step No. | Magnet Material | Insulation Resistance (M) [Ω/min] | Dielectric Strength (AC) [V/min] | Step Angle [deg] | Drive Method | Class of Insulation | Operating Temp. lower limit [deg.C] | Operating Temp. upper limit [deg.C] | Storage Temp. lower limit [deg.C] | Storage Temp. upper limit [deg.C] | Operating Hum. RH lower limit [%] | Operating Hum. RH upper limit [%] | 
|---|---|---|---|---|---|---|---|---|---|---|---|---|---|---|
| 35.0 | 13.00 | 48 | Nd-Fe-B bonded magnet (N51) | 100 | 500 | 7.50 | 2-2 phase | CLASS E (except lead wire) | -10 | 50 | -30 | 80 | 5 | 90 | 
*Bipolar only. Unipolar is not available.
Torque Characteristic
 
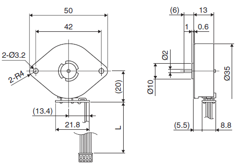
      Overall View
 
      Specifications
| Drive Circuit | Drive Voltage [V] | Current/Phase [mA] | Coil Resistance/Phase [Ω] | Drive IC | 
|---|
Applications
OA Equipment:Printers / Scanners
Download
Catalog
CAD
Product customizations by MinebeaMitsumi
We customize products through technological consultations, sample productions, optional functionalities, and other forms of support we offer to meet your demands.


 
                     
											 
											 
											 
											 
											 
											 
											