Characteristic

Reference Characteristics
Outer Diameter [mm] |
Length [mm] |
Step No. | Magnet Material | Insulation Resistance (M) [Ω/min] |
Dielectric Strength (AC) [V/min] |
Step Angle [deg] |
Drive Method | Class of Insulation | Operating Temp. lower limit [deg.C] |
Operating Temp. upper limit [deg.C] |
Storage Temp. lower limit [deg.C] |
Storage Temp. upper limit [deg.C] |
Operating Hum. RH lower limit [%] |
Operating Hum. RH upper limit [%] |
---|---|---|---|---|---|---|---|---|---|---|---|---|---|---|
15.0 | 12.00 | 20 | Nd-Fe-B bonded magnet(MS70) | 100 | 500 | 18.00 | 2-2 phase | CLASS E | -10 | 50 | -30 | 80 | 20 | 90 |
*Bipolar only. Unipolar is not available.
Torque Characteristic

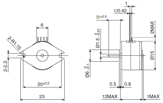
Overall View

Specifications
Drive Circuit | Drive Voltage [V] |
Coil Resistance/Phase [Ω] |
Drive IC |
---|
Applications
OA Equipment:Printers / Scanners
Optical instrument:Digital cameras / Video cameras
Download
Catalog
CAD
Product customizations by MinebeaMitsumi
We customize products through technological consultations, sample productions, optional functionalities, and other forms of support we offer to meet your demands.