ハイブリッドステッピングモーターの標準品シリーズです。試作や仕様検討向けに「小ロット」「個包装」「短納期」対応のサンプルもご用意しています。
特長
ステッピングモーターは、電気信号により一定角度で回転するモーターで、オープンループ制御で高精度な起動・停止・位置決めが可能です。ハイブリッド型は積層珪素鋼板で形成されたロータ内に永久磁石を組み込んだ混成(ハイブリッド)タイプで、ボールベアリングを使用することでより高い精度と信頼性を得られます。 主な用途として、プリンター、コピー機、複合機などのOA機器、その他医療用機器、半導体製造装置、FA機器、ロボットなどの産業機器があります。
-
-
以下のテーブル内の矢印アイコンを押下していただくと、昇順から降順と順番に切り替わります。
スクロールできます
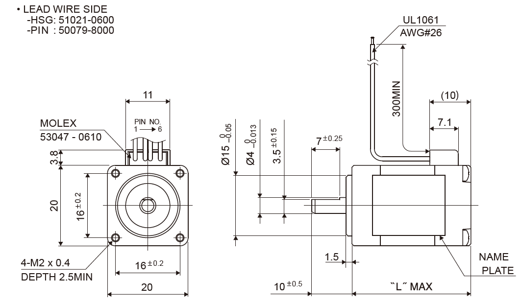
型式
外径
[mm]ステップ角
[°]ドライブ方式
定格電流
[A]巻線抵抗
[Ω]ホールディングトルク
[mN・m]インダクタンス
[mH]ロータイナーシャ
[g・cm2]ディテントトルク
[mN・m]質量
[g]08PM-K049BSTDCN 20.0 1.800 BI-POLAR 0.50 8.50 20 3.80 1.60 2.00 50 08PM-K139BSTDCN 20.0 1.800 BI-POLAR 0.60 6.50 36 3.20 2.90 2.50 70 -
-
スクロールできます
型式
サイズ "L"
[mm]サイズ "L"
[Inch]08PM-K049BSTDCN 30.5 1.18 08PM-K139BSTDCN 40.5 1.57 -
-
スクロールできます
相(PHASE)
A
A/
B
B/
ピン番号(PIN NO.) 4 6 3 1
注目製品
ミネベアミツミのモーターが選ばれる理由
幅広い製品群とグローバルでの開発・生産体制でモノづくりに貢献

