ハイブリッドステッピングモーターの標準品シリーズです。試作や仕様検討向けに「小ロット」「個包装」「短納期」対応のサンプルもご用意しています。
-
-
以下のテーブル内の矢印アイコンを押下していただくと、昇順から降順と順番に切り替わります。
スクロールできます
型式
外径
[mm]ステップ角
[°]ドライブ方式
定格電流
[A]巻線抵抗
[Ω]ホールディングトルク
[mN・m]インダクタンス
[mH]ロータイナーシャ
[g・cm2]ディテントトルク
[mN・m]質量
[g]11PM-K043U 28.0 1.800 UNI-POLAR 1.10 2.50 75 1.20 8.00 4.40 100 11PM-K142U 28.0 1.800 UNI-POLAR 1.10 2.90 105 1.20 13.00 5.40 130 11PM-K241U 28.0 1.800 UNI-POLAR 1.10 3.40 145 1.80 16.00 8.00 200 11PM-K043B 28.0 1.800 UNI-POLAR 1.50 1.30 100 1.20 8.00 4.40 100 11PM-K142B 28.0 1.800 UNI-POLAR 1.50 1.50 145 1.20 13.00 5.40 130 11PM-K241B 28.0 1.800 UNI-POLAR 1.50 1.70 200 1.80 16.00 8.00 200 -
-
スクロールできます
型式
サイズ "L"
[mm]サイズ "L"
[Inch]11PM-K0** 32.5 1.28 11PM-K1** 41.0 1.61 11PM-K2** 52.0 2.05 -
-
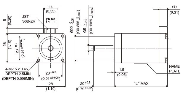
スクロールできます
相(PHASE)
A
A COM
A/
B
B COM
B/
ピン番号(PIN NO.) 4 5 6 3 2 1
注目製品
ミネベアミツミのモーターが選ばれる理由
幅広い製品群とグローバルでの開発・生産体制でモノづくりに貢献

