ハイブリッドステッピングモーターの標準品シリーズです。試作や仕様検討向けに「小ロット」「個包装」「短納期」対応のサンプルもご用意しています。
-
-
以下のテーブル内の矢印アイコンを押下していただくと、昇順から降順と順番に切り替わります。
スクロールできます
型式
外径
[mm]ステップ角
[°]ドライブ方式
定格電流
[A]巻線抵抗
[Ω]ホールディングトルク
[mN・m]インダクタンス
[mH]ロータイナーシャ
[g・cm2]ディテントトルク
[mN・m]質量
[g]14PM-F647B 35.0 1.800 BI-POLAR 1.50 1.20 130 1.20 15.00 5.30 150 14PM-F150B 35.0 1.800 BI-POLAR 1.50 1.80 230 2.60 20.00 8.20 180 14PM-F447B 35.0 1.800 BI-POLAR 1.50 2.20 400 3.70 43.00 13.70 290 -
-
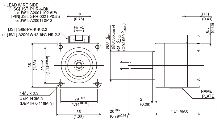
スクロールできます
型式
サイズ "L"
[mm]サイズ "L"
[Inch]14PM-F6** 32.0 1.26 14PM-F1** 36.0 1.42 14PM-F4** 51.0 2.01 -
-
スクロールできます
相(PHASE)
A
A COM
A/
B
B COM
B/
ピン番号(PIN NO.) 4 - 3 6 - 1
注目製品
ミネベアミツミのモーターが選ばれる理由
幅広い製品群とグローバルでの開発・生産体制でモノづくりに貢献

