ハイブリッドステッピングモーターの標準品シリーズです。試作や仕様検討向けに「小ロット」「個包装」「短納期」対応のサンプルもご用意しています。
-
-
以下のテーブル内の矢印アイコンを押下していただくと、昇順から降順と順番に切り替わります。
スクロールできます
型式
外径
[mm]ステップ角
[°]ドライブ方式
定格電流
[A]巻線抵抗
[Ω]ホールディングトルク
[mN・m]インダクタンス
[mH]ロータイナーシャ
[g・cm2]ディテントトルク
[mN・m]質量
[g]17PM-K044U 42.0 1.800 UNI-POLAR 1.20 2.30 200 2.20 37.00 11.00 200 17PM-K049U 42.0 1.800 UNI-POLAR 1.00 3.20 200 3.20 37.00 11.00 200 17PM-K064U 42.0 1.800 UNI-POLAR 0.60 8.30 200 8.10 37.00 11.00 200 17PM-K142U 42.0 1.800 UNI-POLAR 1.40 2.30 280 3.20 62.00 11.80 300 17PM-K149U 42.0 1.800 UNI-POLAR 1.00 4.30 280 6.00 62.00 11.80 300 17PM-K249U 42.0 1.800 UNI-POLAR 0.80 2.70 100 3.00 24.00 4.30 180 17PM-K264U 42.0 1.800 UNI-POLAR 0.60 6.90 100 7.40 24.00 4.30 180 17PM-K342U 42.0 1.800 UNI-POLAR 1.40 2.00 250 2.50 50.00 11.30 250 17PM-K349U 42.0 1.800 UNI-POLAR 1.00 3.60 250 4.70 50.00 11.30 250 17PM-K442U 42.0 1.800 UNI-POLAR 1.40 2.80 400 3.40 75.00 16.70 350 17PM-K449U 42.0 1.800 UNI-POLAR 1.00 4.90 400 6.50 75.00 16.70 350 17PM-K749U 42.0 1.800 UNI-POLAR 0.90 2.20 50 1.60 11.00 2.80 150 17PM-K764U 42.0 1.800 UNI-POLAR 0.60 5.60 50 4.10 11.00 2.80 150 17PM-KA39U 42.0 1.800 UNI-POLAR 1.40 2.90 485 4.00 120.00 21.60 490 17PM-KA46U 42.0 1.800 UNI-POLAR 1.00 5.60 485 8.10 120.00 21.60 490 17PM-K053B 42.0 1.800 BI-POLAR 1.20 2.20 270 4.60 37.00 11.00 200 17PM-K058B 42.0 1.800 BI-POLAR 1.00 3.00 270 6.40 37.00 11.00 200 17PM-K046B 42.0 1.800 BI-POLAR 0.80 5.00 270 10.30 37.00 11.00 200 17PM-K049B 42.0 1.800 BI-POLAR 0.70 6.40 270 12.80 37.00 11.00 200 17PM-K051B 42.0 1.800 BI-POLAR 0.65 7.80 270 15.90 37.00 11.00 200 17PM-K149B 42.0 1.800 BI-POLAR 1.40 2.20 380 6.10 62.00 11.80 300 17PM-K142B 42.0 1.800 BI-POLAR 1.00 4.60 380 12.90 62.00 11.80 300 17PM-K249B 42.0 1.800 BI-POLAR 0.60 5.40 140 12.00 24.00 4.30 180 17PM-K348B 42.0 1.800 BI-POLAR 1.40 1.80 310 4.30 50.00 11.30 250 17PM-K353B 42.0 1.800 BI-POLAR 1.20 2.50 310 6.20 50.00 11.30 250 17PM-K342B 42.0 1.800 BI-POLAR 0.90 4.00 310 9.90 50.00 11.30 250 17PM-K349B 42.0 1.800 BI-POLAR 0.70 7.40 310 18.00 50.00 11.30 250 17PM-K448B 42.0 1.800 BI-POLAR 1.50 2.40 500 5.80 75.00 16.70 350 17PM-K442B 42.0 1.800 BI-POLAR 0.90 5.60 500 13.60 75.00 16.70 350 17PM-K749B 42.0 1.800 BI-POLAR 0.60 4.40 65 6.40 11.00 2.80 150 17PM-KA45B 42.0 1.800 BI-POLAR 1.50 2.70 610 7.50 120.00 21.60 490 17PM-KA39B 42.0 1.800 BI-POLAR 1.00 6.00 610 15.90 120.00 21.60 490 -
-
スクロールできます
型式
サイズ "L"
[mm]サイズ "L"
[Inch]17PM-K7** 26.0 1.02 17PM-K2** 30.0 1.18 17PM-K0** 34.0 1.34 17PM-K3** 38.0 1.50 17PM-K1** 42.0 1.65 17PM-K4** 48.0 1.89 17PM-KA** 60.0 2.36 -
-
スクロールできます
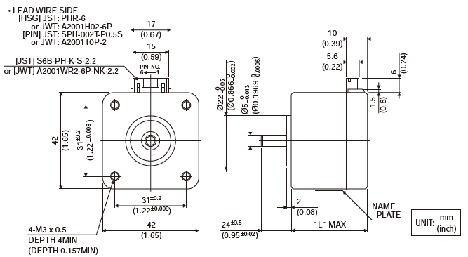
相(PHASE)
A
A COM
A/
B
B COM
B/
ピン番号(PIN NO.) 4 5 6 3 2 1
注目製品
ミネベアミツミのモーターが選ばれる理由
幅広い製品群とグローバルでの開発・生産体制でモノづくりに貢献

