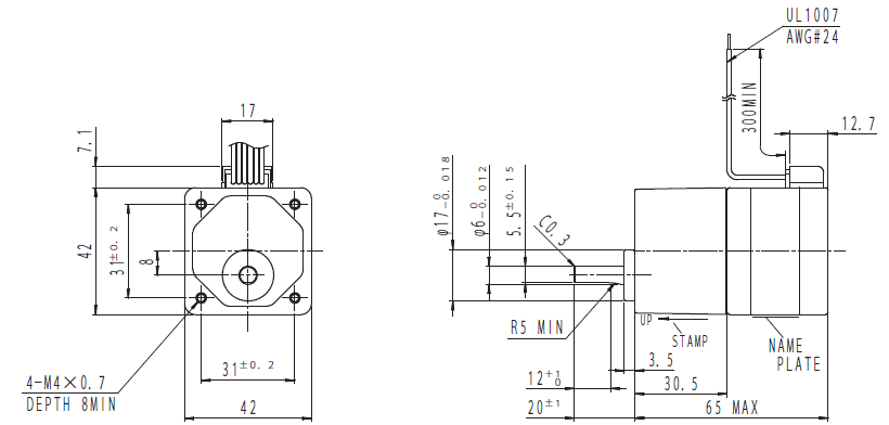
ギアボックス付シリーズは、ミネベアミツミ製高性能ベアリングを使用した2相ステッピングモーターとギアボックスを組み合わせたギアードステッピングモーターです。
-
-
以下のテーブル内の矢印アイコンを押下していただくと、昇順から降順と順番に切り替わります。
スクロールできます
型式
外径
[mm]ステップ角
[°]減速比
[1:X]許容トルク
[N・m]許容トルク
[kgf・cm]ドライブ方式
定格電流
[A]巻線抵抗
[Ω]許容速度範囲
下限
[r/min]許容速度範囲
上限
[r/min]バックラッシ
[min(deg)]質量
[g]GT0036-17M000 42.0 0.500 1:3.6 0.35 3.60 UNI-POLAR 1.00 3.10 0 500 45(0.75) 340 GT0072-17M000 42.0 0.250 1:7.2 0.70 7.10 UNI-POLAR 1.00 3.10 0 250 25(0.417) 340 GT0100-17M000 42.0 0.180 1:10 1.00 10.20 UNI-POLAR 1.00 3.10 0 180 25(0.417) 340 GT0200-17M000 42.0 0.090 1:20 1.50 15.30 UNI-POLAR 1.00 3.10 0 90 25(0.417) 340 GT0300-17M000 42.0 0.060 1:30 1.50 15.30 UNI-POLAR 1.00 3.10 0 60 25(0.417) 340 ※ドライブ方式:ユニポーラ
※リード線付属
※モータ回転方向とギア出力軸の回転方向は減速比1:3.6, 1:7.2, 1:10, は同じに、1:20, 1:30は逆になります。 -
-
-
スクロールできます
相(PHASE)
A
A COM
A/
B
B COM
B/
ピン番号(PIN NO.) 3 2 1 4 5 6
注目製品
ミネベアミツミのモーターが選ばれる理由
幅広い製品群とグローバルでの開発・生産体制でモノづくりに貢献

