Features

Specifications
Model | Outer Diameter [mm] |
Step Angle [°] |
Gear Ratio [1:X] |
Permissible Torque [N・m] |
Permissible Torque [kgf・cm] |
Drive Sequence | Rated Current [A] |
Resistance [Ω] |
Permissible Speed Range lower limit [r/min] |
Permissible Speed Range upper limit [r/min] |
Backlash [min(deg)] |
Mass [g] |
---|
*Drive Sequence:Unipolar
*Leadwires will be supplied with the motor.
*Direction of rotation of the motor and that of the gear output shaft are the same for the gear ratios 1:3.6, 1:7.2 and 1:10. It is the opposite for 1:20 and 1:30 gear ratio.
Torque/Speed Characteristics





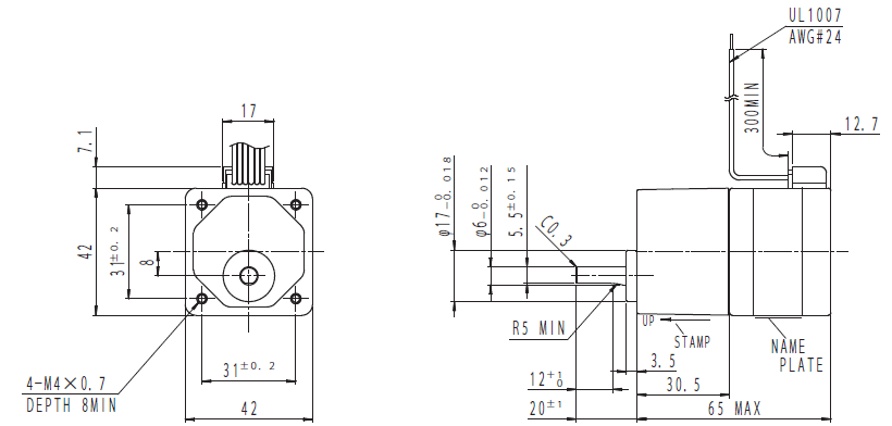
Overall View

Wiring Diagram
PHASE | A | A COM | A/ | B | B COM | B/ |
---|---|---|---|---|---|---|
PIN NO. | 3 | 2 | 1 | 4 | 5 | 6 |
Download
Associated Data
CAD
Product customizations by MinebeaMitsumi
We customize products through technological consultations, sample productions, optional functionalities, and other forms of support we offer to meet your demands.