 
ギアボックス付シリーズは、ミネベアミツミ製高性能ベアリングを使用した2相ステッピングモーターとギアボックスを組み合わせたギアードステッピングモーターです。
- 
- 
以下のテーブル内の矢印アイコンを押下していただくと、昇順から降順と順番に切り替わります。 スクロールできます 型式 外径 
 [mm]ステップ角 
 [°]減速比 
 [1:X]許容トルク 
 [N・m]許容トルク 
 [kgf・cm]ドライブ方式 定格電流 
 [A]巻線抵抗 
 [Ω]許容速度範囲 
 下限
 [r/min]許容速度範囲 
 上限
 [r/min]バックラッシ 
 [min(deg)]質量 
 [g]GT0036-23M201 56.4 0.500 1:3.6 1.25 12.70 UNI-POLAR 0.90 5.80 0 500 35(0.584) 820 GT0072-23M201 56.4 0.250 1:7.2 2.50 25.50 UNI-POLAR 0.90 5.80 0 250 15(0.25) 820 GT0100-23M201 56.4 0.180 1:10 3.00 30.60 UNI-POLAR 0.90 5.80 0 180 15(0.25) 820 GT0200-23M201 56.4 0.090 1:20 3.50 35.70 UNI-POLAR 0.90 5.80 0 90 10(0.167) 850 GT0300-23M201 56.4 0.060 1:30 4.00 40.80 UNI-POLAR 0.90 5.80 0 60 10(0.167) 850 ※ドライブ方式:ユニポーラ 
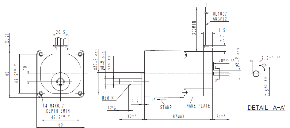
 ※全モデルリード線付属
 ※モーター回転方向とギア出力軸の回転方向は減速比 1:3.6、1:7.2、1:10は同じに、減速比1:20、1:30は逆になります。
- 
          
- 
  
- 
スクロールできます 相(PHASE) A A COM A/ B B COM B/ ピン番号(PIN NO.) 1 2 3 4 5 6 
注目製品
ミネベアミツミのモーターが選ばれる理由
幅広い製品群とグローバルでの開発・生産体制でモノづくりに貢献
 
 
 
 
 
                          
                          
                          
                          
 
 
 
 
 
 
 
 


