ミネベアミツミ中空シャフトステッピングモーターは、3タイプのラインナップです。
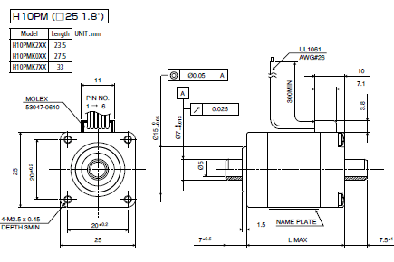
□25 シャフト外径7mm、内径5mm
□42 シャフト外径12mm、内径10mm
□56 シャフト外径20mm 内径16mm
省スペース化に最適で、ポンプ用途などに多く採用されています。
- 
 - 
以下のテーブル内の矢印アイコンを押下していただくと、昇順から降順と順番に切り替わります。
スクロールできます
型式
外径
[mm]ステップ角
[°]ドライブ方式
定格電流
[A]巻線抵抗
[Ω]ホールディングトルク
[mN・m]インダクタンス
[mH]ロータイナーシャ
[g・cm2]質量
[g]H10PMK202BSTDCN 25.0 1.800 BI-POLAR 0.70 3.80 33 2.00 2.00 55 H10PMK013BSTDCN 25.0 1.800 BI-POLAR 0.21 47.00 49 32.00 3.00 70 H10PMK701BSTDCN 25.0 1.800 BI-POLAR 0.63 5.80 56 5.40 5.00 90  - 
 - 
 - 
 - 
関連データ
 
注目製品
ミネベアミツミのモーターが選ばれる理由
幅広い製品群とグローバルでの開発・生産体制でモノづくりに貢献
                         
                         
                         
                         

