ミネベアミツミ中空シャフトステッピングモーターは、3タイプのラインナップです。
□25 シャフト外径7mm、内径5mm
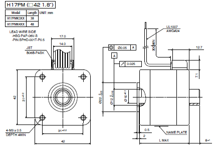
□42 シャフト外径12mm、内径10mm
□56 シャフト外径20mm 内径16mm
省スペース化に最適で、ポンプ用途などに多く採用されています。
-
-
以下のテーブル内の矢印アイコンを押下していただくと、昇順から降順と順番に切り替わります。
スクロールできます
型式
外径
[mm]ステップ角
[°]ドライブ方式
定格電流
[A]巻線抵抗
[Ω]ホールディングトルク
[mN・m]インダクタンス
[mH]ロータイナーシャ
[g・cm2]質量
[g]H17PMK342USTDCN 42.0 1.800 UNI-POLAR 1.40 2.00 220 2.90 63.00 250 H17PMK442USTDCN 42.0 1.800 UNI-POLAR 1.40 2.80 370 4.30 90.00 350 H17PMK342BSTDCN 42.0 1.800 BI-POLAR 0.90 4.00 270 11.20 63.00 250 H17PMK442BSTDCN 42.0 1.800 BI-POLAR 0.90 5.60 450 17.20 90.00 350 -
-
-
-
関連データ
注目製品
ミネベアミツミのモーターが選ばれる理由
幅広い製品群とグローバルでの開発・生産体制でモノづくりに貢献

