ハイブリッド型のステッピングモーターに、独自のセンサー機構で薄型を実現したバッテリーレスのアブソリュートエンコーダを搭載した「Mシリーズ」です。
アナログ時計の時間計測原理を応用した、当社独自の磁気式アブソリュートエンコーダにより、非通電時でもバックアップ電源なしで現在位置の保持が可能です。さらに、非常停止時も原点復帰なしに運転再開ができるため、原点復帰に必要な原点センサーやリミットセンサーも削減しながら、タクトタイムの短縮にも貢献します。
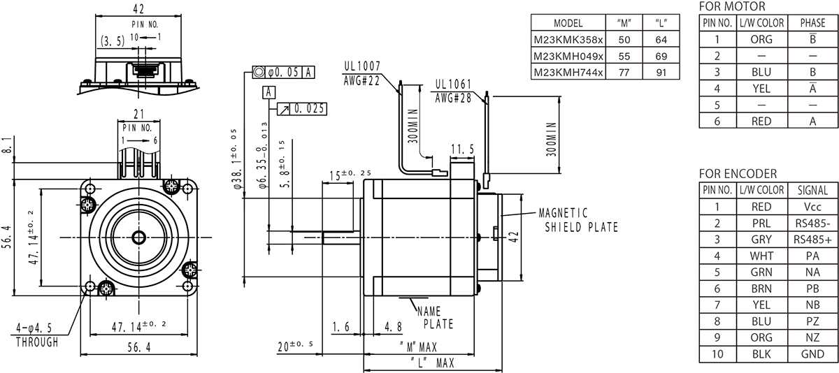
位置検出方式は、アブソリュート出力・インクリメンタル出力から選べ、サイズは□28mm / □42mm / □56.4mmのL寸違いで全9種類をラインアップしています。
-
-
以下のテーブル内の矢印アイコンを押下していただくと、昇順から降順と順番に切り替わります。
スクロールできます
型式
外径
[mm]モーター長
[mm]ステップ角
[°]ドライブ方式
定格電流
[A]巻線抵抗
[Ω]ホールディングトルク
[mN・m]インダクタンス
[mH]ロータイナーシャ
[g・cm2]ディテントトルク
[mN・m]分解能
[CPR]質量
[g]記録可能
最大ターン数M23KMK358CMB03 56.4 64.00 1.800 BI-POLAR 1.70 1.90 800 7.80 180.00 29.00 4000 660 1000 M23KMH049CMB03 56.4 69.00 1.800 BI-POLAR 2.00 0.90 1300 3.70 320.00 54.00 4000 750 1000 M23KMH744CMB03 56.4 91.00 1.800 BI-POLAR 3.00 0.70 1800 2.80 490.00 93.00 4000 1130 1000 -
-
スクロールできます
項目
規格
エンコーダタイプ INCREMENTAL -
-
-
スクロールできます
相(PHASE)
A
A COM
A/
B
B COM
B/
ピン番号(PIN NO.) 3 - 1 4 - 6
注目製品
ミネベアミツミのモーターが選ばれる理由
幅広い製品群とグローバルでの開発・生産体制でモノづくりに貢献

