ハイブリッド型のステッピングモーターに、無励磁作動型の電磁ブレーキを搭載したシリーズです。
通常のモーターは電源OFF時でも、外的圧力によりモーターが回転することがありますが、モーター軸の後方に電磁ブレーキを搭載することで、上下軸での連れ回りを防止し、静止時のディテントトルクを上げることが可能です。
さらに、モーターとブレーキが一体化されているため、設置スペースの削減にも貢献します。
モーター電源とは別に、ブレーキ用電源(DC24V)が必要です。
特長
・外的圧力がかかる停止時に負荷を保持し、連れ回りを防げる電磁ブレーキ一体型
・ブレーキトルク(静摩擦トルク): 300 mN・m
・電源ON:ブレーキ開放、電源OFF:ブレーキロック
※モーター電源とは別に、ブレーキ用電源(DC24V)が必要です。
-
-
以下のテーブル内の矢印アイコンを押下していただくと、昇順から降順と順番に切り替わります。
スクロールできます
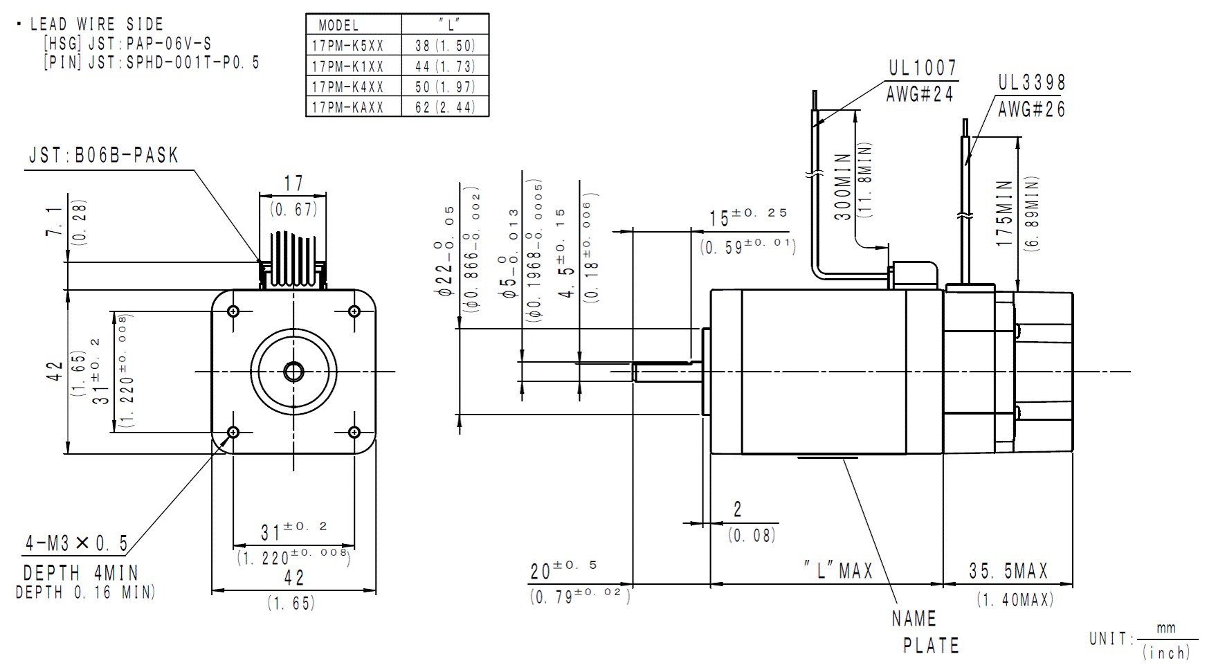
型式
外径
[mm]モーター長
[mm]ステップ角
[°]ドライブ方式
定格電流
[A]巻線抵抗
[Ω]ホールディングトルク
[mN・m]インダクタンス
[mH]ロータイナーシャ
[g・cm2]ディテントトルク
[mN・m]ブレーキ
電圧
[V]静摩擦
トルク
[mN・m]質量
[g]Q17PM-K539C 42.0 38.00 1.800 BI-POLAR 2.30 0.70 250 1.55 49.00 14.00 24 300 470 Q17PM-K138C 42.0 44.00 1.800 BI-POLAR 2.30 0.85 360 2.00 68.00 15.00 24 300 500 Q17PM-K440C 42.0 50.00 1.800 BI-POLAR 2.30 1.30 550 2.80 81.00 20.00 24 300 550 Q17PM-KA39C 42.0 62.00 1.800 BI-POLAR 2.30 1.50 630 4.10 126.00 25.00 24 300 690 -
-
スクロールできます
方式
無励磁作動方式 -
-
-
スクロールできます
相(PHASE)
A
A COM
A/
B
B COM
B/
ピン番号(PIN NO.) 3 - 1 4 - 6 -
関連データ
注目製品
ミネベアミツミのモーターが選ばれる理由
幅広い製品群とグローバルでの開発・生産体制でモノづくりに貢献

