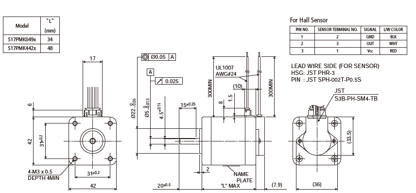
2相ハイブリッドステッピングモータとホールIC(6パルス/1回転)を取り付けたシリーズです。
-
-
以下のテーブル内の矢印アイコンを押下していただくと、昇順から降順と順番に切り替わります。
スクロールできます
型式
外径
[mm]ステップ角
[°]ドライブ方式
定格電流
[A]巻線抵抗
[Ω]ホールディングトルク
[mN・m]インダクタンス
[mH]ロータイナーシャ
[g・cm2]ディテントトルク
[mN・m]質量
[g]S17PMK049USTDCN 42.0 1.800 UNI-POLAR 1.00 3.20 200 3.20 37.00 11.00 200 S17PMK442USTDCN 42.0 1.800 UNI-POLAR 1.40 2.80 400 3.40 75.00 16.70 350 S17PMK049BSTDCN 42.0 1.800 BI-POLAR 0.70 6.40 270 12.80 37.00 11.00 200 S17PMK442BSTDCN 42.0 1.800 BI-POLAR 0.90 5.60 500 13.60 75.00 16.70 350 -
-
回路構成
6パルス出力信号
最大定格 (Ta=25℃)
スクロールできます
Item
Symbol
Rating
Unit
電源電圧 Vcc 18 V 出力開放電圧 V0(off) Vcc V 出力流入電流 Isink 15 mA 動作周囲温度 Topr –20 ~ 115 ℃ 保存温度 Tstg –40 ~ 125 ℃ 電気的特性 (Ta=25℃)
スクロールできます
Item
Symbol
Measuring condition
Min.
Typ.
Max.
Unit
動作電圧範囲 Vcc 4.5 12 18 V 出力H →L 磁束密度 Bop Vcc = 12V 20 mT 出力L →H 磁束密度 Brp Vcc = 12V 5 mT ヒステリシス幅 Bh Vcc = 12V 1.5 mT 出力飽和電圧 Vsat Vcc = 12V, OUT "L", Isink = 10mA 0.4 V 出力漏れ電流 Ileak Vcc = 12V, OUT "H", Vout = 12V 1 μA 電源電流 Icc Vcc = 12V, OUT "H" 8 mA 1 [mT] = 10 [Gauss]
-
-
-
関連データ
注目製品
ミネベアミツミのモーターが選ばれる理由
幅広い製品群とグローバルでの開発・生産体制でモノづくりに貢献

