ハイブリッドステッピングモーターの標準品シリーズです。試作や仕様検討向けに「小ロット」「個包装」「短納期」対応のサンプルもご用意しています。
-
-
以下のテーブル内の矢印アイコンを押下していただくと、昇順から降順と順番に切り替わります。
スクロールできます
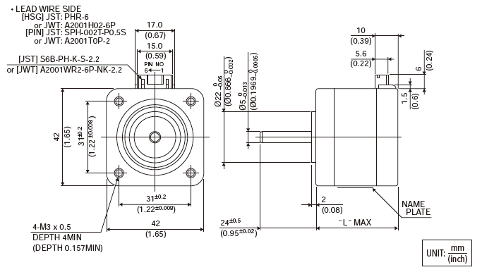
型式
外径
[mm]ステップ角
[°]ドライブ方式
定格電流
[A]巻線抵抗
[Ω]ホールディングトルク
[mN・m]インダクタンス
[mH]ロータイナーシャ
[g・cm2]ディテントトルク
[mN・m]質量
[g]17PM-F848B 42.0 1.800 BI-POLAR 1.10 2.70 310 4.20 76.00 14.70 300 17PM-F856B 42.0 1.800 BI-POLAR 0.90 4.70 310 6.90 76.00 14.70 300 17PM-F140B 42.0 1.800 BI-POLAR 1.70 1.40 340 2.20 84.00 18.60 320 17PM-F144B 42.0 1.800 BI-POLAR 1.40 2.10 340 3.30 84.00 18.60 320 17PM-F148B 42.0 1.800 BI-POLAR 1.10 3.00 340 4.80 84.00 18.60 320 17PM-F156B 42.0 1.800 BI-POLAR 0.90 5.50 340 8.50 84.00 18.60 320 17PM-F438B 42.0 1.800 BI-POLAR 2.00 1.10 430 2.30 110.00 23.50 380 17PM-F442B 42.0 1.800 BI-POLAR 1.60 1.90 430 3.80 110.00 23.50 380 17PM-F452B 42.0 1.800 BI-POLAR 1.00 5.00 430 9.00 110.00 23.50 380 17PM-F449B 42.0 1.800 BI-POLAR 1.20 3.60 430 6.90 110.00 23.50 380 17PM-FA38B 42.0 1.800 BI-POLAR 2.00 1.80 690 2.80 162.00 29.40 510 17PM-FA49B 42.0 1.800 BI-POLAR 1.30 4.50 690 9.20 162.00 29.40 510 -
-
スクロールできます
型式
サイズ "L"
[mm]サイズ "L"
[Inch]17PM-F8** 40.0 1.57 17PM-F1** 42.0 1.65 17PM-F4** 48.0 1.89 17PM-FA** 60.0 2.36 -
-
スクロールできます
相(PHASE)
A
A/
B
B/
ピン番号(PIN NO.) 4 6 3 1
注目製品
ミネベアミツミのモーターが選ばれる理由
幅広い製品群とグローバルでの開発・生産体制でモノづくりに貢献

