ハイブリッドステッピングモーターの標準品シリーズです。試作や仕様検討向けに「小ロット」「個包装」「短納期」対応のサンプルもご用意しています。
-
-
以下のテーブル内の矢印アイコンを押下していただくと、昇順から降順と順番に切り替わります。
スクロールできます
型式
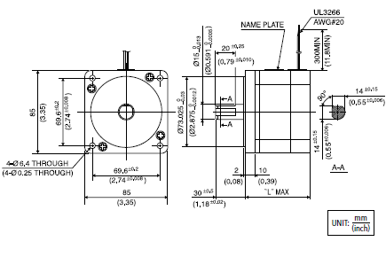
外径
[mm]ステップ角
[°]ドライブ方式
定格電流
[A]巻線抵抗
[Ω]ホールディングトルク
[mN・m]インダクタンス
[mH]ロータイナーシャ
[g・cm2]ディテントトルク
[mN・m]質量
[g]34KM-K006U 85.0 1.800 UNI-POLAR 4.80 0.45 2500 1.50 1200.00 130.00 1800 34KM-K106U 85.0 1.800 UNI-POLAR 4.80 0.65 4800 3.00 2400.00 240.00 2900 34KM-K206U 85.0 1.800 UNI-POLAR 4.80 0.85 6700 4.40 3700.00 340.00 4000 34KM-K006B 85.0 1.800 BI-POLAR 3.40 0.90 3300 6.40 1200.00 130.00 1800 34KM-K106B 85.0 1.800 BI-POLAR 3.40 1.30 6400 12.80 2400.00 240.00 2900 34KM-K206B 85.0 1.800 BI-POLAR 3.40 1.70 9200 18.00 3700.00 340.00 4000 -
-
スクロールできます
型式
サイズ "L"
[mm]サイズ "L"
[Inch]34KM-K0** 68.0 2.68 34KM-K1** 96.0 3.78 34KM-K2** 124.0 4.88 -
-
スクロールできます
相(PHASE)
A
A COM
A/
B
B COM
B/
リード線色(L/W COLOR) 赤 黒 黄 青 白 橙
注目製品
ミネベアミツミのモーターが選ばれる理由
幅広い製品群とグローバルでの開発・生産体制でモノづくりに貢献

