ミネベアミツミ製精密ボールベアリングを使用した2相ステッピングモーターに、光学式ロータリーエンコーダを搭載し、回転時の速度、回転方向、回転角度、回転量などの情報を出力パルスとして得ることが可能です。
-
-
以下のテーブル内の矢印アイコンを押下していただくと、昇順から降順と順番に切り替わります。
スクロールできます
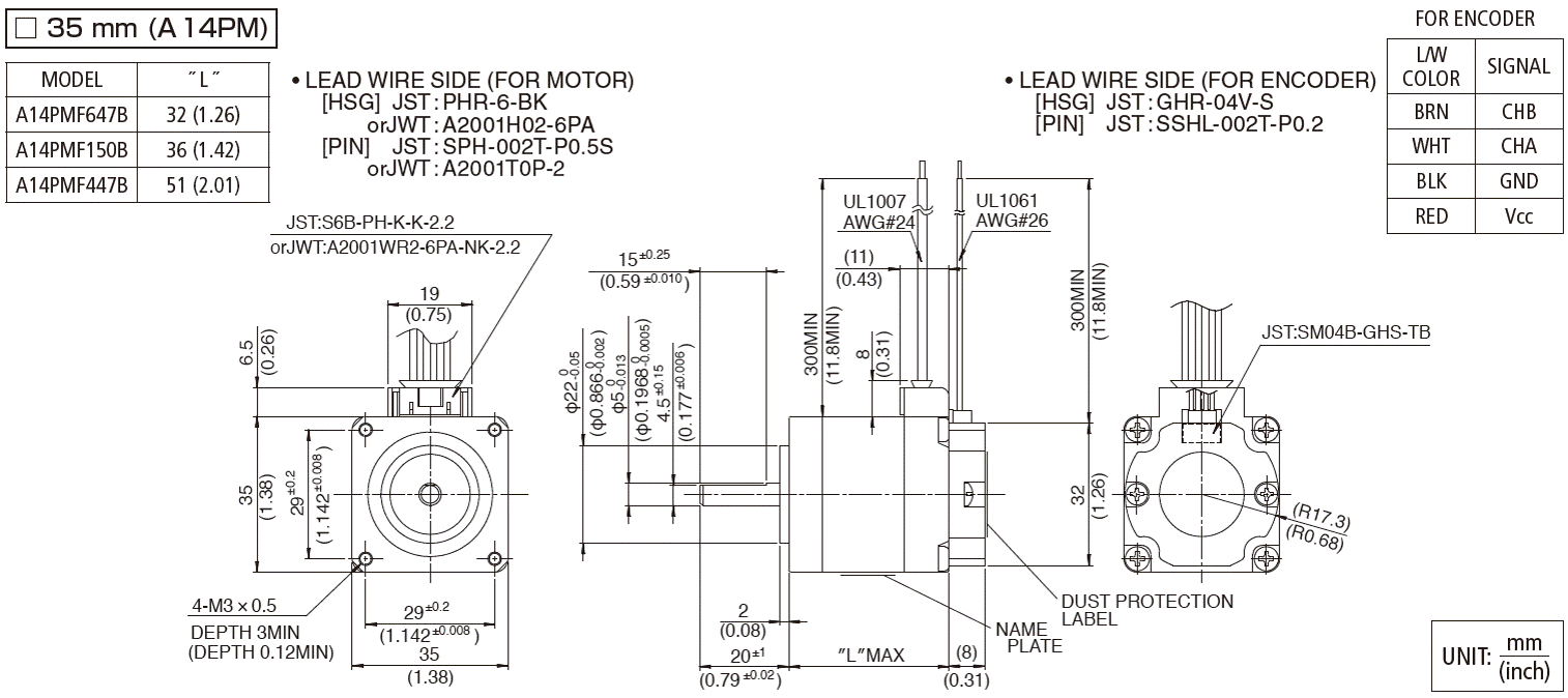
型式
外径
[mm]ステップ角
[°]ドライブ方式
定格電流
[A]巻線抵抗
[Ω]ホールディングトルク
[mN・m]インダクタンス
[mH]ロータイナーシャ
[g・cm2]ディテントトルク
[mN・m]分解能
[CPR]質量
[g]A14PMF647B 35.0 1.800 BI-POLAR 1.50 1.20 130 1.20 15.00 5.30 400 160 A14PMF150B 35.0 1.800 BI-POLAR 1.50 1.80 230 2.60 20.00 8.20 400 190 A14PMF447B 35.0 1.800 BI-POLAR 1.50 2.20 400 3.70 43.00 13.70 400 300 -
-
スクロールできます
項目
規格
エンコーダタイプ INCREMENTAL 検出方法 REFRECTIVE SURFACE 出力信号 A, B (TWO CHANNEL) 分解能 400 CPR 電源電圧 DC 5V ± 0.5 V 出力電圧 -0.5V to +5.5V 出力波形 RECTANGLE WAVE 応答周波数 30 kHz MAX. -
-
注目製品
ミネベアミツミのモーターが選ばれる理由
幅広い製品群とグローバルでの開発・生産体制でモノづくりに貢献

