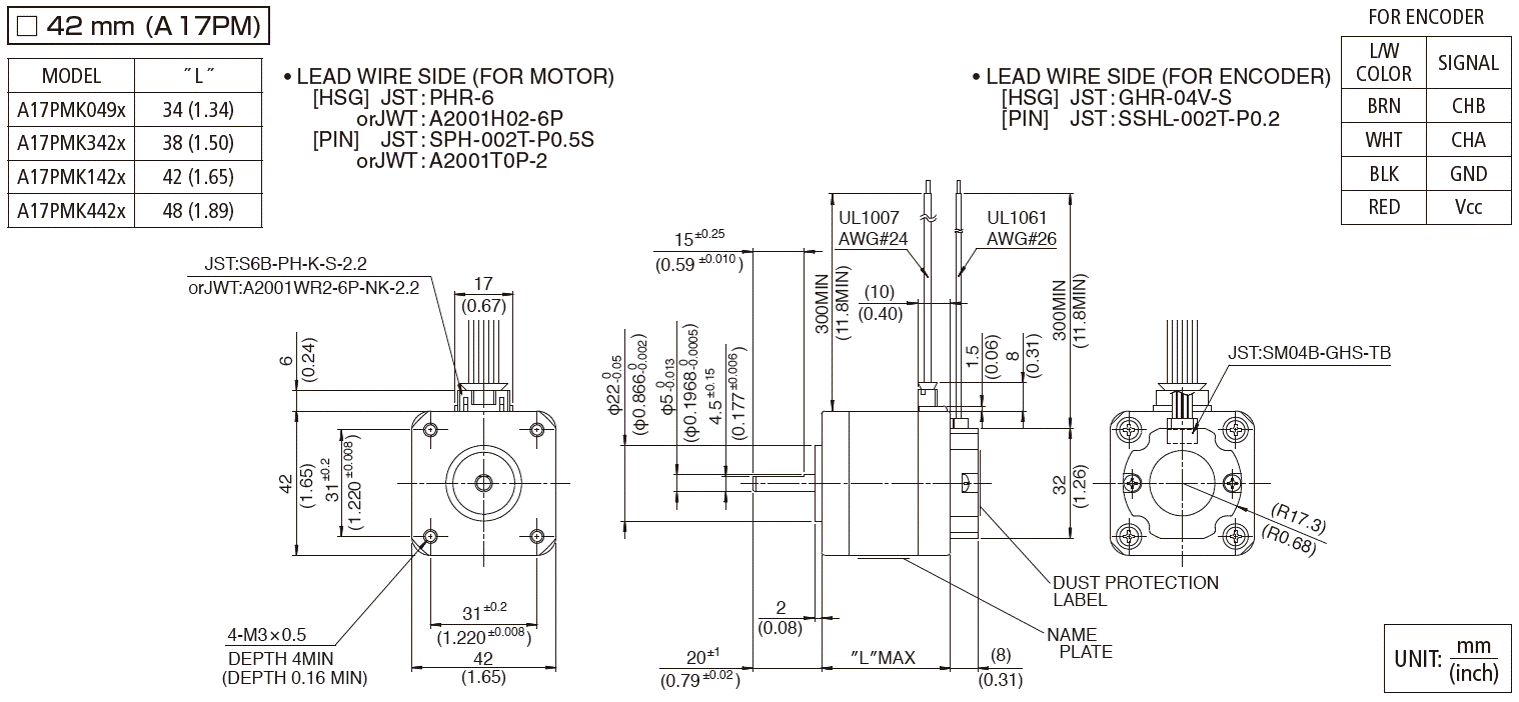
ミネベアミツミ製精密ボールベアリングを使用した2相ステッピングモーターに、光学式ロータリーエンコーダを搭載し、回転時の速度、回転方向、回転角度、回転量などの情報を出力パルスとして得ることが可能です。
-
-
以下のテーブル内の矢印アイコンを押下していただくと、昇順から降順と順番に切り替わります。
スクロールできます
型式
外径
[mm]ステップ角
[°]ドライブ方式
定格電流
[A]巻線抵抗
[Ω]ホールディングトルク
[mN・m]インダクタンス
[mH]ロータイナーシャ
[g・cm2]ディテントトルク
[mN・m]分解能
[CPR]質量
[g]A17PMK049U 42.0 1.800 UNI-POLAR 1.00 3.20 200 3.20 37.00 11.00 400 210 A17PMK342U 42.0 1.800 UNI-POLAR 1.40 2.00 250 2.50 50.00 11.30 400 260 A17PMK142U 42.0 1.800 UNI-POLAR 1.40 2.30 280 3.20 62.00 11.80 400 310 A17PMK442U 42.0 1.800 UNI-POLAR 1.40 2.80 400 3.40 75.00 16.70 400 360 A17PMK049B 42.0 1.800 BI-POLAR 0.70 6.40 270 12.80 37.00 11.00 400 210 A17PMK342B 42.0 1.800 BI-POLAR 0.90 4.00 310 9.90 50.00 11.30 400 260 A17PMK142B 42.0 1.800 BI-POLAR 1.00 4.60 380 12.90 62.00 11.80 400 310 A17PMK442B 42.0 1.800 BI-POLAR 0.90 5.60 500 13.60 75.00 16.70 400 360 -
-
スクロールできます
項目
規格
エンコーダタイプ INCREMENTAL 検出方法 REFRECTIVE SURFACE 出力信号 A, B (TWO CHANNEL) 分解能 400 CPR 電源電圧 DC 5V ± 0.5 V 出力電圧 -0.5V to +5.5V 出力波形 RECTANGLE WAVE 応答周波数 30 kHz MAX. -
-
注目製品
ミネベアミツミのモーターが選ばれる理由
幅広い製品群とグローバルでの開発・生産体制でモノづくりに貢献

