 
ミネベアミツミ製精密ボールベアリングを使用した2相ステッピングモーターに、光学式ロータリーエンコーダを搭載し、回転時の速度、回転方向、回転角度、回転量などの情報を出力パルスとして得ることが可能です。
- 
- 
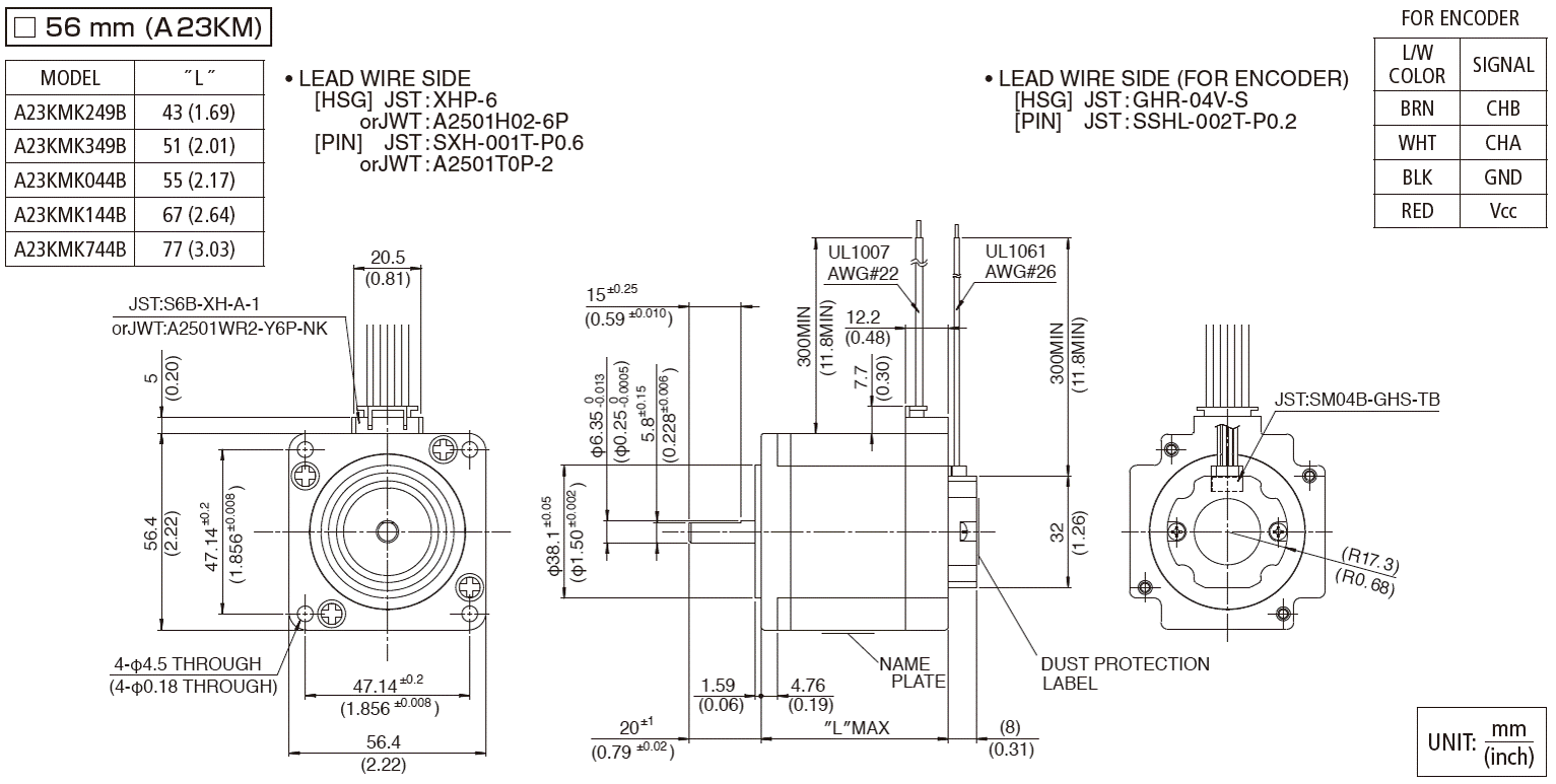
以下のテーブル内の矢印アイコンを押下していただくと、昇順から降順と順番に切り替わります。 スクロールできます 型式 外径 
 [mm]ステップ角 
 [°]ドライブ方式 定格電流 
 [A]巻線抵抗 
 [Ω]ホールディングトルク 
 [mN・m]インダクタンス 
 [mH]ロータイナーシャ 
 [g・cm2]ディテントトルク 
 [mN・m]分解能 
 [CPR]質量 
 [g]A23KMK249U 56.4 1.800 UNI-POLAR 2.00 1.30 420 1.90 120.00 20.00 400 480 A23KMK349U 56.4 1.800 UNI-POLAR 2.00 1.50 650 2.90 180.00 29.00 400 600 A23KMK044U 56.4 1.800 UNI-POLAR 3.00 0.85 760 1.80 200.00 34.00 400 690 A23KMK144U 56.4 1.800 UNI-POLAR 3.00 1.00 1050 2.20 290.00 49.00 400 910 A23KMK744U 56.4 1.800 UNI-POLAR 3.00 1.15 1200 2.70 360.00 50.00 400 1060 A23KMK249B 56.4 1.800 BI-POLAR 1.40 2.40 540 7.70 120.00 20.00 400 480 A23KMK349B 56.4 1.800 BI-POLAR 1.40 3.00 800 11.80 180.00 29.00 400 600 A23KMK044B 56.4 1.800 BI-POLAR 2.20 1.70 1000 7.20 200.00 34.00 400 690 A23KMK144B 56.4 1.800 BI-POLAR 2.10 2.00 1250 8.70 290.00 49.00 400 910 A23KMK744B 56.4 1.800 BI-POLAR 2.00 2.30 1500 10.60 360.00 50.00 400 1060 
- 
  
- 
スクロールできます 項目 規格 エンコーダタイプ INCREMENTAL 検出方法 REFRECTIVE SURFACE 出力信号 A, B (TWO CHANNEL) 分解能 400 CPR 電源電圧 DC 5V ± 0.5 V 出力電圧 -0.5V to +5.5V 出力波形 RECTANGLE WAVE 応答周波数 30 kHz MAX. 
- 
  
- 
  
注目製品
ミネベアミツミのモーターが選ばれる理由
幅広い製品群とグローバルでの開発・生産体制でモノづくりに貢献
 
 
 
 
 
                          
                          
                          
                          
 
 
 
 
 
 
 
 


