Features
Specifications
| Model | Outer Diameter [mm] |
Step Angle [°] |
Drive Sequence | Rated Current [A] |
Resistance [Ω] |
Holding Torque [mN・m] |
Inductance [mH] |
Rotor Inertia [g・cm2] |
Detent Torque [mN・m] |
Encoder Resolution [CPR] |
Mass [g] |
|---|
Torque/Speed Characteristics
Encoder Specifications
| Item | specifications |
|---|---|
| ENCODER TYPE | INCREMENTAL |
| DETECTION METHOD | REFRECTIVE SURFACE |
| OUTPUT SEAL | A, B (TWO CHANNEL) |
| RESOLUTION | 400 CPR |
| SUPPLY VOLTAGE | DC 5V ± 0.5 V |
| OUTPUT VOLTAGE | -0.5V to +5.5V |
| WAVE FORM | RECTANGLE WAVE |
| COUT FREQUENCY | 30 kHz MAX. |
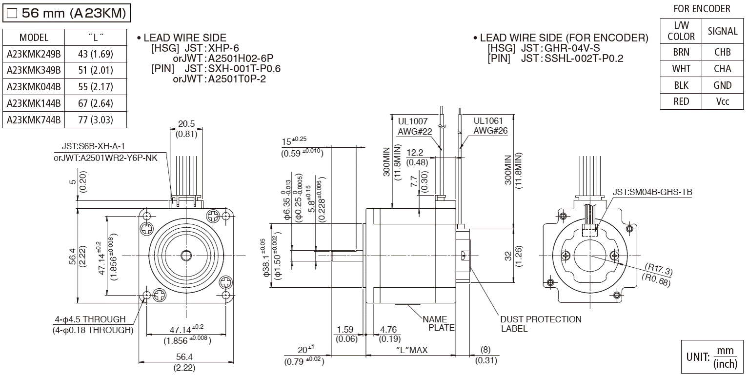
Overall View
Wiring Diagram Image
Download
Associated Data
CAD
Product customizations by MinebeaMitsumi
We customize products through technological consultations, sample productions, optional functionalities, and other forms of support we offer to meet your demands.

