ステッピングモーターのうち、プリンターやコピー機、その他OA機器などを主な用途とする、高速性のある外径25mm以上の製品を取り扱っています。
ステータに珪素鋼鈑を、ローターにネオジムボンド磁石を使用し、磁気回路の最適化をはかることによって高速、高トルク、高効率を実現しています。また、高周波域での高トルク維持、発熱の低減、入力電力の低減、ダウンサイジング可能などの優位性があります。
-
-
1. 薄型・高分解能・高出力トルク
2. 優れた走行静粛性・安定性を実現。 -
スクロールできます
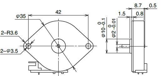
外径
[mm]長さ
[mm]ステップ数
マグネット材質
絶縁抵抗値 (M)
[Ω/min]絶縁耐圧 (AC)
[V/min]ステップ角
[deg]励磁方式
絶縁種
動作温度範囲
下限
[℃]動作温度範囲
上限
[℃]保存温度範囲
下限
[℃]保存温度範囲
上限
[℃]動作湿度範囲RH
下限
[%]動作湿度範囲RH
上限
[%]35.0 8.70 96 ネオジムボンド磁石 100 500 3.75 2-2相 CLASS E 0 50 -20 70 5 90 -
-
-
複合機、スキャナー等
注目製品
ミネベアミツミのモーターが選ばれる理由
幅広い製品群とグローバルでの開発・生産体制でモノづくりに貢献

