パルス信号(電気信号)により一定角度で回転するモーターで、主にプリンターやコピー機、FAX機などの紙送り部分に使用されます。ローターに永久磁石(Permanent Magnet=PM)を使用するタイプです。
-
-
1. ミツミ独自のトルク特性を実現。
2. 優れた走行静粛性・安定性を実現。 -
スクロールできます
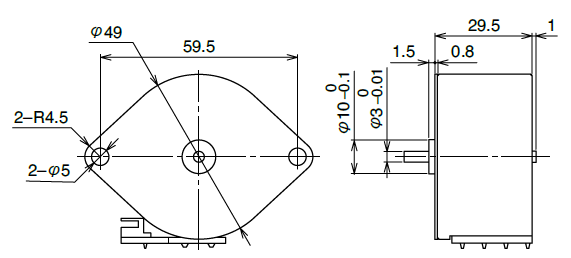
外径
[mm]長さ
[mm]ステップ数
マグネット材質
絶縁抵抗値 (M)
[Ω/min]絶縁耐圧 (AC)
[V/min]ステップ角
[deg]励磁方式
絶縁種
動作温度範囲
下限
[℃]動作温度範囲
上限
[℃]保存温度範囲
下限
[℃]保存温度範囲
上限
[℃]動作湿度範囲RH
下限
[%]動作湿度範囲RH
上限
[%]49.0 29.50 48 極異方性フェライト磁石 100 500 7.50 2-2相 CLASS E 0 50 -20 70 5 90 -
-
-
プリンター、複合機、コピー機、FAX等
注目製品
ミネベアミツミのモーターが選ばれる理由
幅広い製品群とグローバルでの開発・生産体制でモノづくりに貢献

