PM型ステッピングモーターのシャフトとローターのネジ機構により、回転運動を直線運動に変換できるリニアタイプです。
ステッピングモーターならではの制御のしやすさ、高精度な位置制御をそのままに、独自設計で小型ながら高推力、高い応答性を実現。当社NMBブランドの高精度ボールベアリングをフロントとエンドで2個使用することで、シャフト遊びを抑制し、より高精度な制御が可能です。
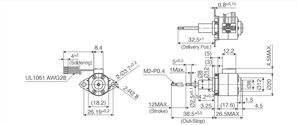
シャフト送り量は0.025mm/step ~ 0.05mm/stepのレンジでラインアップをご用意。巻き線仕様やシャフト長、キャプティブ/ノンキャプティブの選択など、お客様のご要求仕様にあわせたカスタマイズにも対応いたします。
-
-
スクロールできます
推力範囲
下限
[N]推力範囲
上限
[N]外径
[mm]長さ
[mm]ステップ数
マグネット材質
絶縁抵抗値 (M)
[Ω/min]絶縁耐圧 (AC)
[V/min]励磁方式
巻線抵抗
[Ω]絶縁種
動作温度範囲
下限
[℃]動作温度範囲
上限
[℃]保存温度範囲
下限
[℃]保存温度範囲
上限
[℃]動作湿度範囲RH
下限
[%]動作湿度範囲RH
上限
[%]10 60 20.0 26.50 20 ネオジウム鉄ボンド(MS70) 100 500 2-2相 13.5 CLASS B 0 65 -30 80 20 90 -
-
-
以下のテーブル内の矢印アイコンを押下していただくと、昇順から降順と順番に切り替わります。
スクロールできます
スクリューピッチ
[mm]1ステップ送り量 (2相励磁時)
[mm/Step]駆動方式
駆動電圧
[V]電流/相
[mA]駆動IC
0.508 0.025 バイポーラチョッパー 12 300.0 BD63920MUV -
産業機器:流量制御バルブ
通信機器:アンテナ調整装置
自動車分野:光軸制御装置
注目製品
ミネベアミツミのモーターが選ばれる理由
幅広い製品群とグローバルでの開発・生産体制でモノづくりに貢献

