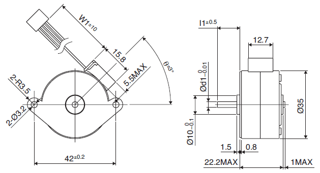
パルス信号(電気信号)により一定角度で回転するモーターで、主にプリンターやコピー機、FAX機などの紙送り部分に使用されます。ローターに永久磁石(Permanent Magnet=PM)を使用するタイプです。
-
-
スクロールできます
外径
[mm]長さ
[mm]ステップ数
マグネット材質
絶縁抵抗値 (M)
[Ω/min]絶縁耐圧 (AC)
[V/min]ステップ角
[deg]励磁方式
絶縁種
動作温度範囲
下限
[℃]動作温度範囲
上限
[℃]保存温度範囲
下限
[℃]保存温度範囲
上限
[℃]動作湿度範囲RH
下限
[%]動作湿度範囲RH
上限
[%]35.0 22.20 48 フェライトプラスチック(MSPL)
極異方性フェライト焼結(MS50)
ネオジウム鉄ボンド(MS70)100 500 7.50 2-2相 CLASS E -10 50 -30 80 20 90 -
-
-
以下のテーブル内の矢印アイコンを押下していただくと、昇順から降順と順番に切り替わります。
スクロールできます
駆動方式
駆動電圧
[V]電流/相
[mA]巻線抵抗/相
[Ω]駆動IC
ユニポーラ定電圧 24 30.0 2SC3346 バイポーラチョッパー 24 500.0 5.5 BD63877EFV -
OA機器:プリンター、スキャナー
産業機器:流量制御バルブ
自動車分野:メーター、光軸制御装置
HA機器:ミシン
注目製品
ミネベアミツミのモーターが選ばれる理由
幅広い製品群とグローバルでの開発・生産体制でモノづくりに貢献

