 
電気信号により一定角度で回転するモーターで、主にプリンターやコピー機、FAX機などの紙送り部分に使用されます。ローターに永久磁石(Permanent Magnet=PM)を使用するタイプです。
- 
- 
スクロールできます 外径 
 [mm]長さ 
 [mm]ステップ数 マグネット材質 絶縁抵抗値 (M) 
 [Ω/min]絶縁耐圧 (AC) 
 [V/min]ステップ角 
 [deg]励磁方式 絶縁種 動作温度範囲 
 下限
 [℃]動作温度範囲 
 上限
 [℃]保存温度範囲 
 下限
 [℃]保存温度範囲 
 上限
 [℃]動作湿度範囲RH 
 下限
 [%]動作湿度範囲RH 
 上限
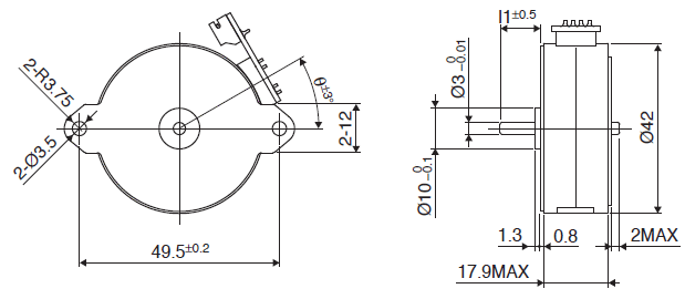
 [%]42.0 17.90 48 極異方性フェライト焼結(MS50) 100 500 7.50 2-2相 CLASS E -10 50 -30 80 20 90 ※バイポーラのみ。ユニポーラはありません。 
- 
  
- 
  
- 
以下のテーブル内の矢印アイコンを押下していただくと、昇順から降順と順番に切り替わります。 スクロールできます 駆動方式 駆動電圧 
 [V]電流/相 
 [mA]巻線抵抗/相 
 [Ω]駆動IC バイポーラチョッパー 24 500.0 7.8 BD63877EFV 
- 
OA機器:プリンター、スキャナー 
 産業機器:流量制御バルブ
 HA機器:ミシン
注目製品
ミネベアミツミのモーターが選ばれる理由
幅広い製品群とグローバルでの開発・生産体制でモノづくりに貢献
 
 
 
 
 
                          
                          
                          
                          
 
 
 
 
 
 
 
 


