ステッピングモーターのうち、プリンターやコピー機、その他OA機器などを主な用途とする、高速性のある外径25mm以上の製品を取り扱っています。
ステータに珪素鋼鈑を、ローターにネオジムボンド磁石を使用し、磁気回路の最適化をはかることによって高速、高トルク、高効率を実現しています。また、高周波域での高トルク維持、発熱の低減、入力電力の低減、ダウンサイジング可能などの優位性があります。
-
-
スクロールできます
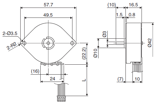
外径
[mm]長さ
[mm]ステップ数
マグネット材質
絶縁抵抗値 (M)
[Ω/min]絶縁耐圧 (AC)
[V/min]ステップ角
[deg]励磁方式
絶縁種
動作温度範囲
下限
[℃]動作温度範囲
上限
[℃]保存温度範囲
下限
[℃]保存温度範囲
上限
[℃]動作湿度範囲RH
下限
[%]動作湿度範囲RH
上限
[%]42.0 16.50 96 ネオジウム鉄ボンド(N51) 100 500 3.75 2-2相 CLASS E (リード線を除く) -10 50 -30 80 5 90 ※バイポーラのみ。ユニポーラはありません。
-
-
-
以下のテーブル内の矢印アイコンを押下していただくと、昇順から降順と順番に切り替わります。
スクロールできます
駆動方式
駆動電圧
[V]電流/相
[mA]巻線抵抗/相
[Ω]駆動IC
バイポーラ定電流 24 400.0 4.2 MTD2003 -
OA機器:プリンター、スキャナー
注目製品
ミネベアミツミのモーターが選ばれる理由
幅広い製品群とグローバルでの開発・生産体制でモノづくりに貢献

