 
ステッピングモーターのうち、プリンターやコピー機、その他OA機器などを主な用途とする、高速性のある外径25mm以上の製品を取り扱っています。
ステータに珪素鋼鈑を、ローターにネオジムボンド磁石を使用し、磁気回路の最適化をはかることによって高速、高トルク、高効率を実現しています。また、高周波域での高トルク維持、発熱の低減、入力電力の低減、ダウンサイジング可能などの優位性があります。
- 
- 
1. 高出力トルク・高分解能。 
 2. 優れた走行静粛性・安定性を実現。
- 
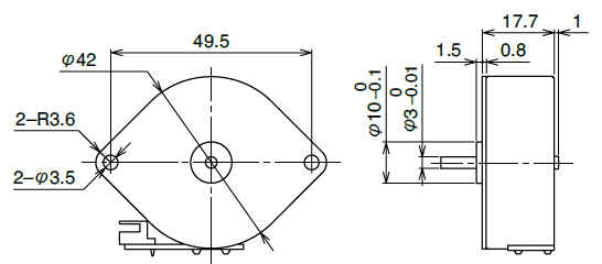
スクロールできます 外径 
 [mm]長さ 
 [mm]ステップ数 マグネット材質 絶縁抵抗値 (M) 
 [Ω/min]絶縁耐圧 (AC) 
 [V/min]ステップ角 
 [deg]励磁方式 絶縁種 動作温度範囲 
 下限
 [℃]動作温度範囲 
 上限
 [℃]保存温度範囲 
 下限
 [℃]保存温度範囲 
 上限
 [℃]動作湿度範囲RH 
 下限
 [%]動作湿度範囲RH 
 上限
 [%]42.0 17.70 96 ネオジムボンド磁石 100 500 3.75 2-2相 CLASS E 0 50 -20 70 5 90 
- 
  
- 
  
- 
以下のテーブル内の矢印アイコンを押下していただくと、昇順から降順と順番に切り替わります。 スクロールできます 駆動方式 駆動電圧 
 [V]電流/相 
 [mA]巻線抵抗/相 
 [Ω]駆動IC バイポーラチョッパー 12 600.0 4.2 MTD2003 バイポーラチョッパー 24 600.0 4.2 MTD2003 
- 
プリンター、複合機、コピー機、FAX等 
注目製品
ミネベアミツミのモーターが選ばれる理由
幅広い製品群とグローバルでの開発・生産体制でモノづくりに貢献
 
 
 
 
 
                          
                          
                          
                          
 
 
 
 
 
 
 
 


